Å



Êîíòàêòû

Ðåçèñòîðû ìîùíûå äîêóìåíòàöèÿ Ñ5-35Âäîêóìåíòàöèÿ ðåçèñòîð ñ5-35 Ñ5-36Âäîêóìåíòàöèÿ ðåçèñòîð ñ5-36 ÏÝÂäîêóìåíòàöèÿ ðåçèñòîð ïýâ ÏÝÂÐäîêóìåíòàöèÿ ðåçèñòîð ïýâð Êîìïëåêò êðåïåæà ê ðåçèñòîðàì ÏÝÂ, ÏÝÂÐ, Ñ5-35Â, Ñ5-36ÂÊîìïëåêò êðåïåæà ê ðåçèñòîðàì ÏÝÂ, ÏÝÂÐ, Ñ5-35Â, Ñ5-36Â 10Âò 25Âò 50Âò 100Âò

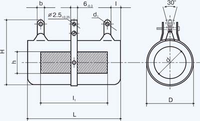
Ðåçèñòîðû ìîùíûå Ñ5-35ÂÐåçèñòîðû ìîùíûå Ñ5-35Â (àíàëîã ÏÝÂ )

Îñíîâíûå îñîáåííîñòè: ïðîâîëî÷íûå ïîñòîÿííûå îáùåãî ïðèìåíåíèÿ èçîëèðîâàííûå äëÿ íàâåñíîãî ìîíòàæà

Ñ5-35

Îáëàñòè ïðèìåíåíèÿ: öåïè ïåðåìåííîãî è ïîñòîÿííîãî òîêà

 Óñëîâèÿ ýêñïëóàòàöèè:

Ñèíóñîèäàëüíàÿ âèáðàöèÿ:

Çíà÷åíèå:

äèàïàçîí ÷àñòîò, Hz

10-1000

àìïëèòóäà óñêîðåíèÿ, m/s2

200

Ìåõàíè÷åñêèé óäàð îäèíî÷íîãî äåéñòâèÿ:

Çíà÷åíèå:

ïèêîâîå óäàðíîå óñêîðåíèå, m/s2

5000

äëèòåëüíîñòü äåéñòâèÿ, ms

0.5± 0.2

Ìåõàíè÷åñêèé óäàð ìíîãîêðàòíîãî äåéñòâèÿ:

Çíà÷åíèå:

ïèêîâîå óäàðíîå óñêîðåíèå, m/s2

1500

äëèòåëüíîñòü äåéñòâèÿ, ms

1±0.3

Îêðóæàþùàÿ ñðåäà:

Çíà÷åíèå:

àòìîñôåðíîå ïîíèæåííîå ðàáî÷åå äàâëåíèå, Ða

666

àòìîñôåðíîå ïîâûøåííîå ðàáî÷åå äàâëåíèå, Ða

303960

ïîâûøåííàÿ ðàáî÷àÿ òåìïåðàòóðà ñðåäû, Ê

343

ìàêñèìàëüíî äîïóñòèìàÿ ðàáî÷àÿ òåìïåðàòóðà ñðåäû, Ê

428

ïîíèæåííàÿ ðàáî÷àÿ òåìïåðàòóðà ñðåäû, Ê

213

äèàïàçîí òåìïåðàòóð, K

213 - 428

ïîâûøåííàÿ îòíîñèòåëüíàÿ âëàæíîñòü ïðè 308Ê áåç êîíäåíñàöèè âëàãè, %

98

Ñ5-35

 

Ìîùíîñòü

ðàññåÿíèÿ

W

Âåëè÷èíà

ñîïðîòèâëåíèÿ

Îì

L

mm

D

mm

H

mm

d

mm

d1

mm

B

mm

I

mm

Ìàññà

(íå áîëåå)

g

ñ5-35â ïýâ 3Âò

1-5600

26±1.2

14±1.0

28±3.0

6±1.5

2+0.25

4.5-0.3

3.5±1.0

16

ñ5-35â ïýâ 8Âò

1-12000

35±1.5

14±1.0

28±3.0

6±1.5

2+0.25

4.5-0.3

3.5±1.0

23

ñ5-35â ïýâ 10Âò

1-16000

41±1.5

14±1.0

28±3.0

6±1.5

2+0.25

4.5-0.3

3.5±1.0

27

ñ5-35â ïýâ 16Âò

1-24000

45±1.5

17±1.0

31±3.0

8.5±1.5

2+0.25

4.5-0.3

3.5±1.0

36

ñ5-35â ïýâ 25Âò

1-39000

50±2.0

21±1.5

35±3.0

13±1.6

2+0.25

4.5-0.3

3.5±1.0

52

ñ5-35â ïýâ 50Âò

1-110000

90±2.5

29±1.5

43±4.0

21±2.0

3+0.25

6-0.3

4.5±1.2

120

ñ5-35â ïýâ 80Âò

1-200000

140±3.0

29±1.5

43±4.0

21±2.0

3+0.25

6-0.3

4.5±1.2

200

ñ5-35â ïýâ 100Âò

1-240000

170±3.5

29±1.5

43±4.0

21±2.0

3+0.25

6-0.3

4.5±1.2

230

ñ5-35â ïýâ 160Âò

1-240000

215±4.0

29±1.5

43±4.0

21±5.0

3+0.25

6-0.3

4.5±1.2

300


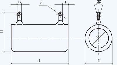
Îñíîâíûå îñîáåííîñòè:

  • ïðîâîëî÷íûå ïîñòîÿííûå îáùåãî ïðèìåíåíèÿ èçîëèðîâàííûå äëÿ íàâåñíîãî ìîíòàæà

ñ5-36

Îáëàñòè ïðèìåíåíèÿ:

  • öåïè ïåðåìåííîãî è ïîñòîÿííîãî òîêà

 Óñëîâèÿ ýêñïëóàòàöèè:

Ñèíóñîèäàëüíàÿ âèáðàöèÿ:

Çíà÷åíèå:

äèàïàçîí ÷àñòîò, Hz

10-1000

àìïëèòóäà óñêîðåíèÿ, m/s2

200

Ìåõàíè÷åñêèé óäàð îäèíî÷íîãî äåéñòâèÿ:

Çíà÷åíèå:

ïèêîâîå óäàðíîå óñêîðåíèå, m/s2

5000

äëèòåëüíîñòü äåéñòâèÿ, ms

0.5±0.2

Ìåõàíè÷åñêèé óäàð ìíîãîêðàòíîãî äåéñòâèÿ:

Çíà÷åíèå:

ïèêîâîå óäàðíîå óñêîðåíèå, m/s2

1500

äëèòåëüíîñòü äåéñòâèÿ, ms

1±0.3

Îêðóæàþùàÿ ñðåäà:

Çíà÷åíèå:

àòìîñôåðíîå ïîíèæåííîå ðàáî÷åå äàâëåíèå, Ða

666

àòìîñôåðíîå ïîâûøåííîå ðàáî÷åå äàâëåíèå, Ða

303960

ïîâûøåííàÿ ðàáî÷àÿ òåìïåðàòóðà ñðåäû, Ê

343

ìàêñèìàëüíî äîïóñòèìàÿ ðàáî÷àÿ òåìïåðàòóðà ñðåäû, Ê

428

ïîíèæåííàÿ ðàáî÷àÿ òåìïåðàòóðà ñðåäû, Ê

213

äèàïàçîí òåìïåðàòóð, K

213 - 428

ïîâûøåííàÿ îòíîñèòåëüíàÿ âëàæíîñòü ïðè 308Ê áåç êîíäåíñàöèè âëàãè, %

98

ñ5-36

 

Ìîùíîñòü

ðàññåÿíèÿ

W

Âåëè÷èíà

ñîïðîòèâëåíèÿ

Îì

D

mm

d

mm

d1

mm

L

mm

I

mm

I1

mm

H

mm

h

mm

b

mm

Ìàññà

(íå áîëåå)

g

10

1-510

14±1.0

6±1.5

2+0.25

41±1.5

3.5±1.0

20±2.0

28±3.0

6±2.0

4.5-0.3

34

16

1-750

17±1.0

8.5±1.5

2+0.25

45±1.5

3.5±1.0

23±2.0

31±3.0

6±2.0

4.5-0.3

42

25

1-1200

21±1.0

13±1.6

2+0.25

50±2.0

3.5±1.0

30±2.0

35±3.0

6±2.0

4.5-0.3

60

50

1-3600

29±1.5

21±2.0

3+0.25

90±2.5

4.5±1.2

65±2.0

43±4.0

7±2.0

6-0.3

130

80

2.2-33000

29±1.5

21±2.0

3+0.25

140±3.0

4.5±1.2

110±2.0

43±4.0

7±2.0

6-0.3

200

100

2.2-33000

29±1.5

21±2.0

3+0.25

170±3.5

4.5±1.2

144±2.0

43±4.0

7±2.0

6-0.3

240

160

3-10000

29±1.5

21±3.0

3+0.25

215±4.0

4.5±1.2

175±2.0

43±4.0

7±2.0

6-0.3

300