Варисторы технические характеристики >>
| CNR
| SAS
| AVX
| MYG
| HEL |
| Таблицы аналогов варисторов различных производителей |
JVR Варисторы технические характеристики
 |
Варисторы - компоненты с симметричной ВАХ, подобной характеристике двунаправленного стабилитрона.
Ограничивая резкое повышение напряжения на входе прибора, варисторы защищают электронное оборудование от повреждений.
Основные параметры:
|
Диапазон напряжений срабатывания: |
|
18...1100 В |
|
Время срабатывания, не более: |
|
25 нс |
|
Сопротивление изоляции: |
|
1000 МОм |
|
Максимальная рабочая температура: |
|
+85°C |
|
|

|
Система обозначений:
JVR |
|
10 |
|
N |
|
121 |
|
K |
|
|
Диаметр |
5 мм |
7 мм |
10 мм |
14 мм |
20 мм |
|
|
|
|
|
Классификационное напряжение |
120 12 В |
121 120 В |
|
|
|
Точность |
K 10% |
L 15% |
M 20% |
P 25% |
|
|
Основные характеристики
|
| Температура хранения:
Максимальное время отклика:
Диапазон рабочих температур:
Температурный коэффициент напряжения:
Максимальная рабочая температура поверхности:
Сопротивление изоляции (при 500В): |
-40°С ~ +125°С
25нсек
-40°С ~ +125°С
0~0.05%/°С макс
+115°С
>1000МОм |
|
|
| Маркировка варисторов JVR |
Основные характеристики
|
| Температура хранения:
Максимальное время отклика:
Диапазон рабочих температур:
Температурный коэффициент напряжения:
Максимальная рабочая температура поверхности:
Сопротивление изоляции (при 500В): |
-40°С ~ +125°С
25нсек
-40°С ~ +125°С
0~0.05%/°С макс
+115°С
>1000МОм |
|
|
| Маркировка варисторов JVR |
| |
|
|
|
|
|
|
|
|
|
| |
|
|
|
|
|
|
|
|
|
Длина выводов/Тип упаковки
50 - 5±0.5мм (россыпью) обрезанные выводы
U4 - 24мм мин.(россыпью) формованные выводы
U5 - 25мм мин.(россыпью) прямые выводы
AW - на ленте в коробке (H0 : 16мм) формованные выводы
AY - на ленте в коробке (H0 : 20мм) прямые выводы
RW - на ленте в катушке (H0 : 16мм) формованные выводы
RW - на ленте в катушке (H0 : 20мм) прямые выводы |
| |
|
|
|
|
|
|
|
|
|
Тип выводов
Y - с формованными выводами
P - с прямыми выводами |
| |
|
|
|
|
|
|
|
|
|
Расстояние между выводами
5 - 5.0мм
7 - 7.5мм
1 - 10мм
|
| |
|
|
|
|
|
|
|
|
|
Диаметр выводов
6 - 0.6±0.05мм
8 - 0.8±0.05мм
1 - 1.0±0.05мм
|
| |
|
|
|
|
|
|
|
|
|
Допуск
K - ±10%
L - ±15%
M - ±20%
K - ±25% |
| |
|
|
|
|
|
|
|
|
|
Напряжение
Рассчитывается умножением первых двух цифр на 10 в степени равной третьей цифре |
| |
|
|
|
|
|
|
|
|
|
Серия
N - обычные
S - сильноточные
U - ультрасильноточные |
| |
|
|
|
|
|
|
|
|
|
Диаметр
05 - 5.0мм
07 - 7.0мм
10 - 10.0мм
14 - 14.0мм
20 - 20.0мм |
| |
|
|
|
|
|
|
|
|
|
Цинк-оксидный варистор Joyin |
|
|
|
 |
Технические характеристики:
| Наименование |
Максимальное допустимое напряжение |
Классификационное напряжение варистора В при 1мA* |
Макс. напряжение срабатывания, В |
Допустимый пиковый ток (8/20 мкс.), А |
Ном. мощность, Вт |
Поглощаемая энергия (10/1000 мкс), Дж |
| Перем., В |
Пост., В |
Пост., В |
1 импульс |
2 импульса |
| 05 |
07 |
10, 14, 20 |
05 |
07 |
10 |
14 |
20 |
05 |
07 |
10 |
14 |
20 |
05 |
07 |
10 |
14 |
20 |
05 |
07 |
10 |
14 |
20 |
| JVRXXN180:** |
11 |
14 |
18 |
40*** |
36 |
36 |
100 |
250 |
500 |
1000 |
2000 |
50 |
125 |
250 |
500 |
1000 |
0,01 |
0,02 |
0,05 |
0,1 |
0,2 |
0,6 |
1,2 |
2,4 |
4,7 |
7,0 |
| JVRXXN220: |
14 |
18 |
22 |
48 |
43 |
43 |
0,7 |
1,4 |
2,7 |
5,4 |
8,0 |
| JVRXXN270: |
17 |
22 |
27 |
60 |
53 |
53 |
0,9 |
1,7 |
3,5 |
6,9 |
10,0 |
| JVRXXN330: |
20 |
26 |
33 |
73 |
65 |
65 |
1,1 |
2,2 |
4,4 |
8,8 |
12,0 |
| JVRXXN390: |
25 |
31 |
39 |
86 |
77 |
77 |
1,2 |
2,4 |
4,7 |
9,4 |
14,0 |
| JVRXXN470: |
30 |
38 |
47 |
104 |
93 |
93 |
1,5 |
3,0 |
6,0 |
12,0 |
17,0 |
| JVRXXN560: |
35 |
45 |
56 |
123 |
110 |
110 |
1,8 |
3,5 |
7,0 |
14,0 |
20,0 |
| JVRXXN680: |
40 |
56 |
68 |
150 |
135 |
135 |
2,1 |
4,3 |
8,5 |
17,0 |
24,0 |
| JVRXXN820: |
50 |
65 |
82 |
145 |
135 |
135 |
400 |
1200 |
2500 |
4500 |
6500 |
200 |
600 |
1250 |
2500 |
4000 |
0,1 |
0,25 |
0,4 |
0,6 |
1,0 |
2,8 |
5,5 |
11,0 |
22,0 |
44,0 |
| JVRXXN101: |
60 |
85 |
100 |
175 |
165 |
165 |
3,5 |
7 |
14,0 |
28,0 |
56,0 |
| JVRXXN121: |
75 |
100 |
120 |
210 |
200 |
200 |
4,0 |
8,0 |
16,0 |
32,0 |
64,0 |
| JVRXXN151: |
95 |
125 |
150 |
260 |
250 |
250 |
5,5 |
11,0 |
22,0 |
44,0 |
88,0 |
| JVRXXN181: |
115 |
150 |
180 |
320 |
300 |
300 |
6,5 |
13,0 |
26,0 |
52,0 |
104,0 |
| JVRXXN201: |
130 |
170 |
200 |
355 |
340 |
340 |
7,1 |
14 |
28,5 |
57,0 |
114,0 |
| JVRXXN221: |
140 |
180 |
220 |
380 |
360 |
360 |
7,8 |
16 |
31,0 |
62,0 |
124,0 |
| JVRXXN241: |
150 |
200 |
240 |
415 |
395 |
395 |
8,4 |
17 |
33,5 |
67,0 |
134,0 |
| JVRXXN271: |
175 |
225 |
270 |
475 |
455 |
455 |
9,9 |
20 |
40 |
79,0 |
158,0 |
| JVRXXN301: |
195 |
250 |
300 |
525 |
505 |
505 |
10,5 |
21,0 |
42,0 |
84,0 |
168,0 |
| JVRXXN331: |
210 |
275 |
330 |
575 |
550 |
550 |
11,5 |
23,0 |
46,0 |
92,0 |
184,0 |
| JVRXXN361: |
230 |
300 |
360 |
620 |
595 |
595 |
13,0 |
26,0 |
52,0 |
104,0 |
208,0 |
| JVRXXN391: |
250 |
320 |
390 |
675 |
650 |
650 |
15,0 |
30,0 |
60,0 |
120,0 |
240,0 |
| JVRXXN431: |
275 |
350 |
430 |
745 |
710 |
710 |
16,5 |
33,0 |
66,0 |
132,0 |
264,0 |
| JVRXXN471: |
300 |
385 |
470 |
810 |
775 |
775 |
17,5 |
35,0 |
70,0 |
140,0 |
280,0 |
| JVRXXN511: |
320 |
418 |
510 |
880 |
842 |
842 |
18,5 |
37,0 |
74,0 |
148,0 |
296,0 |
| JVRXXN561: |
350 |
460 |
560 |
940 |
920 |
920 |
19,5 |
39,0 |
78,0 |
156,0 |
312,0 |
| JVRXXN621: |
385 |
505 |
620 |
1050 |
1025 |
1025 |
20,5 |
41,0 |
82,0 |
164,0 |
328,0 |
| JVRXXN681: |
420 |
560 |
680 |
1150 |
1120 |
1120 |
21,5 |
43,0 |
86,0 |
172,0 |
344,0 |
| JVRXXN751: |
460 |
615 |
750 |
1290 |
1240 |
1240 |
22,5 |
45,0 |
90,0 |
180,0 |
360,0 |
| JVRXXN781: |
485 |
640 |
780 |
|
1290 |
1290 |
|
|
|
|
46,0 |
92,0 |
184,0 |
368,0 |
| JVRXXN821: |
510 |
670 |
820 |
|
1355 |
1355 |
|
|
|
|
47,0 |
94,0 |
188,0 |
376,0 |
| JVRXXN911: |
550 |
745 |
910 |
|
|
1500 |
|
|
|
|
|
|
|
|
102,0 |
204,0 |
408,0 |
| JVRXXN102: |
625 |
825 |
1000 |
|
|
1650 |
|
|
|
|
|
|
|
|
112,0 |
224,0 |
448,0 |
| JVRXXN112: |
680 |
895 |
1100 |
|
|
1815 |
|
|
|
|
|
|
|
|
124,0 |
248,0 |
496,0 |
| JVRXXN182: |
1000 |
1465 |
1800 |
|
|
2970 |
|
|
|
|
|
|
|
|
174,0 |
348,0 |
695,0 |
*для JVR05... при 0,1мА
**XX - диаметр
***Максимальное напряжение срабатывания приведено в зависимости от протекающего тока через варистор в соответствии с таблицей
| Тип |
Ток, А |
| 05 |
180-680 |
1 |
| 820-751 |
5 |
| 07 |
180-680 |
2,5 |
| 820-821 |
10 |
| 10 |
180-680 |
5 |
| 820-182 |
25 |
| 14 |
180-680 |
10 |
| 820-182 |
50 |
| 20 |
180-680 |
20 |
| 820-182 |
100 |
Номиналы и характеристики
|
|
JVR Диаметр 5мм N-серия
|
|
| Обозначение |
Классификационное напряжение |
Рабочее напряжение |
Напряжение ограничения |
Ток перегрузки (8/20μs) |
Средняя мощность |
Максимальная энергия поглощения |
Сертификаты |
DC
(V) |
Допуск |
ACrms
(V) |
DC
(V) |
V5A
(V) |
1 time |
2 time |
(W) |
(J) |
 |
 |
 |
| (A) |
| JVR05N180M65 |
18 |
±20% |
11 |
14 |
40* |
100 |
50 |
0,01 |
0,6 |
√ |
|
√ |
| JVR05N220L65 |
22 |
±15% |
14 |
18 |
48 |
0,7 |
√ |
|
√ |
| JVR05N270K65 |
27 |
±10% |
17 |
22 |
60 |
0,9 |
√ |
|
√ |
| JVR05N330K65 |
33 |
20 |
26 |
73 |
1,1 |
√ |
|
√ |
| JVR05N390K65 |
39 |
25 |
31 |
86 |
1,2 |
√ |
|
√ |
| JVR05N470K65 |
47 |
30 |
38 |
104 |
1,5 |
√ |
|
√ |
| JVR05N560K65 |
56 |
35 |
45 |
123 |
1,8 |
√ |
|
√ |
| JVR05N680K65 |
68 |
40 |
56 |
150 |
2,1 |
√ |
|
√ |
| JVR05N820K65 |
82 |
50 |
65 |
145 |
400 |
200 |
0,1 |
2,8 |
√ |
|
√ |
| JVR05N101K65 |
100 |
60 |
85 |
175 |
3,5 |
√ |
|
√ |
| JVR05N121K65 |
120 |
75 |
100 |
210 |
4,0 |
√ |
|
√ |
| JVR05N151K65 |
150 |
95 |
125 |
260 |
5,5 |
√ |
|
√ |
| JVR05N181K65 |
180 |
115 |
150 |
320 |
6,5 |
√ |
|
√ |
| JVR05N201K65 |
200 |
130 |
170 |
355 |
7,1 |
√ |
√ |
√ |
| JVR05N221K65 |
220 |
140 |
180 |
380 |
7,8 |
√ |
√ |
√ |
| JVR05N241K65 |
240 |
150 |
200 |
415 |
8,4 |
√ |
√ |
√ |
| JVR05N271K65 |
270 |
175 |
225 |
475 |
9,9 |
√ |
√ |
√ |
| JVR05N301K65 |
300 |
195 |
250 |
525 |
10,5 |
√ |
√ |
√ |
| JVR05N331K65 |
330 |
210 |
275 |
575 |
11,5 |
√ |
√ |
√ |
| JVR05N361K65 |
360 |
230 |
300 |
620 |
13,0 |
√ |
√ |
√ |
| JVR05N391K65 |
390 |
250 |
320 |
675 |
15,0 |
√ |
√ |
√ |
| JVR05N431K65 |
430 |
275 |
350 |
745 |
16,5 |
√ |
√ |
√ |
| JVR05N471K65 |
470 |
300 |
385 |
810 |
17,5 |
√ |
√ |
√ |
| JVR05N511K65 |
510 |
320 |
418 |
880 |
18,5 |
√ |
√ |
√ |
| JVR05N561K65 |
560 |
350 |
460 |
940 |
19,5 |
√ |
√ |
√ |
| JVR05N621K65 |
620 |
385 |
505 |
1050 |
20,5 |
√ |
√ |
√ |
| JVR05N681K65 |
680 |
420 |
560 |
1150 |
21,5 |
√ |
√ |
√ |
| JVR05N751K65 |
750 |
460 |
615 |
1290 |
22,5 |
√ |
√ |
√ |
|
*) Напряжение ограничения от 180М до 680К определялось при токе 1А |
JVR Диаметр 7мм N-серия
|
|
| Обозначение |
Классификационное напряжение |
Рабочее напряжение |
Напряжение ограничения |
Ток перегрузки (8/20μs) |
Средняя мощность |
Максимальная энергия поглощения |
Сертификаты |
DC
(V) |
Допуск |
ACrms
(V) |
DC
(V) |
V10A
(V) |
1 time |
2 time |
(W) |
(J) |
 |
 |
 |
| (A) |
| JVR07N180M65 |
18 |
±20% |
11 |
14 |
36* |
250 |
125 |
0,02 |
1,2 |
√ |
|
√ |
| JVR07N220L65 |
22 |
±15% |
14 |
18 |
43 |
1,4 |
√ |
|
√ |
| JVR07N270K65 |
27 |
±10% |
17 |
22 |
53 |
1,7 |
√ |
|
√ |
| JVR07N330K65 |
33 |
20 |
26 |
65 |
2,2 |
√ |
|
√ |
| JVR07N390K65 |
39 |
25 |
31 |
77 |
2,4 |
√ |
|
√ |
| JVR07N470K65 |
47 |
30 |
38 |
93 |
3,0 |
√ |
|
√ |
| JVR07N560K65 |
56 |
35 |
45 |
110 |
3,5 |
√ |
|
√ |
| JVR07N680K65 |
68 |
40 |
56 |
135 |
4,3 |
√ |
|
√ |
| JVR07N820K65 |
82 |
50 |
65 |
135 |
1200 |
600 |
0,25 |
5,5 |
√ |
|
√ |
| JVR07N101K65 |
100 |
60 |
85 |
165 |
7,0 |
√ |
|
√ |
| JVR07N121K65 |
120 |
75 |
100 |
200 |
8,0 |
√ |
|
√ |
| JVR07N151K65 |
150 |
95 |
125 |
250 |
11,0 |
√ |
|
√ |
| JVR07N181K65 |
180 |
115 |
150 |
300 |
13,0 |
√ |
|
√ |
| JVR07N201K65 |
200 |
130 |
170 |
340 |
14,3 |
√ |
√ |
√ |
| JVR07N221K65 |
220 |
140 |
180 |
360 |
15,5 |
√ |
√ |
√ |
| JVR07N241K65 |
240 |
150 |
200 |
395 |
16,8 |
√ |
√ |
√ |
| JVR07N271K65 |
270 |
175 |
225 |
455 |
19,8 |
√ |
√ |
√ |
| JVR07N301K65 |
300 |
195 |
250 |
505 |
21,0 |
√ |
√ |
√ |
| JVR07N331K65 |
330 |
210 |
275 |
550 |
23,0 |
√ |
√ |
√ |
| JVR07N361K65 |
360 |
230 |
300 |
595 |
26,0 |
√ |
√ |
√ |
| JVR07N391K65 |
390 |
250 |
320 |
650 |
30,0 |
√ |
√ |
√ |
| JVR07N431K65 |
430 |
275 |
350 |
710 |
33,0 |
√ |
√ |
√ |
| JVR07N471K65 |
470 |
300 |
385 |
775 |
35,0 |
√ |
√ |
√ |
| JVR07N511K65 |
510 |
320 |
418 |
842 |
37,0 |
√ |
√ |
√ |
| JVR07N561K65 |
560 |
350 |
460 |
920 |
39,0 |
√ |
√ |
√ |
| JVR07N621K65 |
620 |
385 |
505 |
1025 |
41,0 |
√ |
√ |
√ |
| JVR07N681K65 |
680 |
420 |
560 |
1120 |
43,0 |
√ |
√ |
√ |
| JVR07N751K65 |
750 |
460 |
615 |
1240 |
45,0 |
√ |
√ |
√ |
| JVR07N781K65 |
780 |
485 |
640 |
1290 |
46,0 |
√ |
√ |
√ |
| JVR07N821K65 |
820 |
510 |
670 |
1355 |
47,0 |
√ |
√ |
√ |
|
*) Напряжение ограничения от 180М до 680К определялось при токе 2,5А |
JVR Диаметр 10мм N-серия
|
|
| Обозначение |
Классификационное напряжение |
Рабочее напряжение |
Напряжение ограничения |
Ток перегрузки (8/20μs) |
Средняя мощность |
Максимальная энергия поглощения |
Сертификаты |
DC
(V) |
Допуск |
ACrms
(V) |
DC
(V) |
V25A
(V) |
1 time |
2 time |
(W) |
(J) |
 |
 |
 |
| (A) |
| JVR10N180M87 |
18 |
±20% |
11 |
14 |
36* |
500 |
250 |
0,05 |
2,4 |
√ |
|
√ |
| JVR10N220L87 |
22 |
±15% |
14 |
18 |
43 |
2,7 |
√ |
|
√ |
| JVR10N270K87 |
27 |
±10% |
17 |
22 |
53 |
3,5 |
√ |
|
√ |
| JVR10N330K87 |
33 |
20 |
26 |
65 |
4,4 |
√ |
|
√ |
| JVR10N390K87 |
39 |
25 |
31 |
77 |
4,7 |
√ |
|
√ |
| JVR10N470K87 |
47 |
30 |
38 |
93 |
6,0 |
√ |
|
√ |
| JVR10N560K87 |
56 |
35 |
45 |
110 |
7,0 |
√ |
|
√ |
| JVR10N680K87 |
68 |
40 |
56 |
135 |
8,5 |
√ |
|
√ |
| JVR10N820K87 |
82 |
50 |
65 |
135 |
2500 |
1250 |
0,4 |
11,0 |
√ |
|
√ |
| JVR10N101K87 |
100 |
60 |
85 |
165 |
14,0 |
√ |
|
√ |
| JVR10N121K87 |
120 |
75 |
100 |
200 |
16,0 |
√ |
|
√ |
| JVR10N151K87 |
150 |
95 |
125 |
250 |
22,0 |
√ |
|
√ |
| JVR10N181K87 |
180 |
115 |
150 |
300 |
26,0 |
√ |
|
√ |
| JVR10N201K87 |
200 |
130 |
170 |
340 |
28,5 |
√ |
√ |
√ |
| JVR10N221K87 |
220 |
140 |
180 |
360 |
31,0 |
√ |
√ |
√ |
| JVR10N241K87 |
240 |
150 |
200 |
395 |
33,5 |
√ |
√ |
√ |
| JVR10N271K87 |
270 |
175 |
225 |
455 |
39,5 |
√ |
√ |
√ |
| JVR10N301K87 |
300 |
195 |
250 |
505 |
42,0 |
√ |
√ |
√ |
| JVR10N331K87 |
330 |
210 |
275 |
550 |
46,0 |
√ |
√ |
√ |
| JVR10N361K87 |
360 |
230 |
300 |
595 |
52,0 |
√ |
√ |
√ |
| JVR10N391K87 |
390 |
250 |
320 |
650 |
60,0 |
√ |
√ |
√ |
| JVR10N431K87 |
430 |
275 |
350 |
710 |
66,0 |
√ |
√ |
√ |
| JVR10N471K87 |
470 |
300 |
385 |
775 |
70,0 |
√ |
√ |
√ |
| JVR10N511K87 |
510 |
320 |
418 |
842 |
74,0 |
√ |
√ |
√ |
| JVR10N561K87 |
560 |
350 |
460 |
920 |
78,0 |
√ |
√ |
√ |
| JVR10N621K87 |
620 |
385 |
505 |
1025 |
82,0 |
√ |
√ |
√ |
| JVR10N681K87 |
680 |
420 |
560 |
1120 |
86,0 |
√ |
√ |
√ |
| JVR10N751K87 |
750 |
460 |
615 |
1240 |
90,0 |
√ |
√ |
√ |
| JVR10N781K87 |
780 |
485 |
640 |
1290 |
92,0 |
√ |
√ |
√ |
| JVR10N821K87 |
820 |
510 |
670 |
1355 |
94,0 |
√ |
√ |
√ |
| JVR10N911K87 |
910 |
550 |
745 |
1500 |
102,0 |
√ |
√ |
√ |
| JVR10N102K87 |
1000 |
625 |
825 |
1650 |
112,0 |
√ |
√ |
√ |
| JVR10N112K87 |
1100 |
680 |
895 |
1815 |
124,0 |
√ |
√ |
√ |
| JVR10N182K87 |
1800 |
1000 |
1465 |
2970 |
174,0 |
|
|
|
|
*) Напряжение ограничения от 180М до 680К определялось при токе 5А |
JVR Диаметр 14мм N-серия
|
|
| Обозначение |
Классификационное напряжение |
Рабочее напряжение |
Напряжение ограничения |
Ток перегрузки (8/20μs) |
Средняя мощность |
Максимальная энергия поглощения |
Сертификаты |
DC
(V) |
Допуск |
ACrms
(V) |
DC
(V) |
V50A
(V) |
1 time |
2 time |
(W) |
(J) |
 |
 |
 |
| (A) |
| JVR14N180M87 |
18 |
±20% |
11 |
14 |
36* |
1000 |
500 |
0,1 |
4,7 |
√ |
|
√ |
| JVR14N220L87 |
22 |
±15% |
14 |
18 |
43 |
5,4 |
√ |
|
√ |
| JVR14N270K87 |
27 |
±10% |
17 |
22 |
53 |
6,9 |
√ |
|
√ |
| JVR14N330K87 |
33 |
20 |
26 |
65 |
8,8 |
√ |
|
√ |
| JVR14N390K87 |
39 |
25 |
31 |
77 |
9,4 |
√ |
|
√ |
| JVR14N470K87 |
47 |
30 |
38 |
93 |
12,0 |
√ |
|
√ |
| JVR14N560K87 |
56 |
35 |
45 |
110 |
14,0 |
√ |
|
√ |
| JVR14N680K87 |
68 |
40 |
56 |
135 |
17,0 |
√ |
|
√ |
| JVR14N820K87 |
82 |
50 |
65 |
135 |
4500 |
2500 |
0,6 |
22,0 |
√ |
|
√ |
| JVR14N101K87 |
100 |
60 |
85 |
165 |
28,0 |
√ |
|
√ |
| JVR14N121K87 |
120 |
75 |
100 |
200 |
32,0 |
√ |
|
√ |
| JVR14N151K87 |
150 |
95 |
125 |
250 |
44,0 |
√ |
|
√ |
| JVR14N181K87 |
180 |
115 |
150 |
300 |
52,0 |
√ |
|
√ |
| JVR14N201K87 |
200 |
130 |
170 |
340 |
57,0 |
√ |
√ |
√ |
| JVR14N221K87 |
220 |
140 |
180 |
360 |
62,0 |
√ |
√ |
√ |
| JVR14N241K87 |
240 |
150 |
200 |
395 |
67,0 |
√ |
√ |
√ |
| JVR14N271K87 |
270 |
175 |
225 |
455 |
79,0 |
√ |
√ |
√ |
| JVR14N301K87 |
300 |
195 |
250 |
505 |
84,0 |
√ |
√ |
√ |
| JVR14N331K87 |
330 |
210 |
275 |
550 |
92,0 |
√ |
√ |
√ |
| JVR14N361K87 |
360 |
230 |
300 |
595 |
104,0 |
√ |
√ |
√ |
| JVR14N391K87 |
390 |
250 |
320 |
650 |
120,0 |
√ |
√ |
√ |
| JVR14N431K87 |
430 |
275 |
350 |
710 |
132,0 |
√ |
√ |
√ |
| JVR14N471K87 |
470 |
300 |
385 |
775 |
140,0 |
√ |
√ |
√ |
| JVR14N511K87 |
510 |
320 |
418 |
842 |
148,0 |
√ |
√ |
√ |
| JVR14N561K87 |
560 |
350 |
460 |
920 |
156,0 |
√ |
√ |
√ |
| JVR14N621K87 |
620 |
385 |
505 |
1025 |
164,0 |
√ |
√ |
√ |
| JVR14N681K87 |
680 |
420 |
560 |
1120 |
172,0 |
√ |
√ |
√ |
| JVR14N751K87 |
750 |
460 |
615 |
1240 |
180,0 |
√ |
√ |
√ |
| JVR14N781K87 |
780 |
485 |
640 |
1290 |
184,0 |
√ |
√ |
√ |
| JVR14N821K87 |
820 |
510 |
670 |
1355 |
188,0 |
√ |
√ |
√ |
| JVR14N911K87 |
910 |
550 |
745 |
1500 |
204,0 |
√ |
√ |
√ |
| JVR14N102K87 |
1000 |
625 |
825 |
1650 |
224,0 |
√ |
√ |
√ |
| JVR14N112K87 |
1100 |
680 |
895 |
1815 |
248,0 |
√ |
√ |
√ |
| JVR14N182K87 |
1800 |
1000 |
1465 |
2970 |
348,0 |
|
|
|
|
*) Напряжение ограничения от 180М до 680К определялось при токе 10А |
JVR Диаметр 20мм N-серия
|
|
| Обозначение |
Классификационное напряжение |
Рабочее напряжение |
Напряжение ограничения |
Ток перегрузки (8/20μs) |
Средняя мощность |
Максимальная энергия поглощения |
Сертификаты |
DC
(V) |
Допуск |
ACrms
(V) |
DC
(V) |
V100A
(V) |
1 time |
2 time |
(W) |
(J) |
 |
 |
 |
| (A) |
| JVR20N180M11 |
18 |
±20% |
11 |
14 |
36* |
2000 |
1000 |
0,2 |
7,0 |
√ |
|
√ |
| JVR20N220M11 |
22 |
14 |
18 |
43 |
8,0 |
√ |
|
√ |
| JVR20N270M11 |
27 |
17 |
22 |
53 |
10,0 |
√ |
|
√ |
| JVR20N330M11 |
33 |
20 |
26 |
65 |
12,0 |
√ |
|
√ |
| JVR20N390L11 |
39 |
±15% |
25 |
31 |
77 |
14,0 |
√ |
|
√ |
| JVR20N470L11 |
47 |
30 |
38 |
93 |
17,0 |
√ |
|
√ |
| JVR20N560L11 |
56 |
35 |
45 |
110 |
20,0 |
√ |
|
√ |
| JVR20N680L11 |
68 |
40 |
56 |
135 |
24,0 |
√ |
|
√ |
| JVR20N820K11 |
82 |
±10% |
50 |
65 |
135 |
6500 |
4000 |
1,0 |
44,0 |
√ |
|
√ |
| JVR20N101K11 |
100 |
60 |
85 |
165 |
56,0 |
√ |
|
√ |
| JVR20N121K11 |
120 |
75 |
100 |
200 |
64,0 |
√ |
|
√ |
| JVR20N151K11 |
150 |
95 |
125 |
250 |
88,0 |
√ |
|
√ |
| JVR20N181K11 |
180 |
115 |
150 |
300 |
104,0 |
√ |
|
√ |
| JVR20N201K11 |
200 |
130 |
170 |
340 |
114,0 |
√ |
√ |
√ |
| JVR20N221K11 |
220 |
140 |
180 |
360 |
124,0 |
√ |
√ |
√ |
| JVR20N241K11 |
240 |
150 |
200 |
395 |
134,0 |
√ |
√ |
√ |
| JVR20N271K11 |
270 |
175 |
225 |
455 |
158,0 |
√ |
√ |
√ |
| JVR20N301K11 |
300 |
195 |
250 |
505 |
168,0 |
√ |
√ |
√ |
| JVR20N331K11 |
330 |
210 |
275 |
550 |
184,0 |
√ |
√ |
√ |
| JVR20N361K11 |
360 |
230 |
300 |
595 |
208,0 |
√ |
√ |
√ |
| JVR20N391K11 |
390 |
250 |
320 |
650 |
240,0 |
√ |
√ |
√ |
| JVR20N431K11 |
430 |
275 |
350 |
710 |
264,0 |
√ |
√ |
√ |
| JVR20N471K11 |
470 |
300 |
385 |
775 |
280,0 |
√ |
√ |
√ |
| JVR20N511K11 |
510 |
320 |
418 |
842 |
296,0 |
√ |
√ |
√ |
| JVR20N561K11 |
560 |
350 |
460 |
920 |
312,0 |
√ |
√ |
√ |
| JVR20N621K11 |
620 |
385 |
505 |
1025 |
328,0 |
√ |
√ |
√ |
| JVR20N681K11 |
680 |
420 |
560 |
1120 |
344,0 |
√ |
√ |
√ |
| JVR20N751K11 |
750 |
460 |
615 |
1240 |
360,0 |
√ |
√ |
√ |
| JVR20N781K11 |
780 |
485 |
640 |
1290 |
368,0 |
√ |
√ |
√ |
| JVR20N821K11 |
820 |
510 |
670 |
1355 |
376,0 |
√ |
√ |
√ |
| JVR20N911K11 |
910 |
550 |
745 |
1500 |
408,0 |
√ |
√ |
√ |
| JVR20N102K11 |
1000 |
625 |
825 |
1650 |
448,0 |
√ |
√ |
√ |
| JVR20N112K11 |
1100 |
680 |
895 |
1815 |
496,0 |
√ |
√ |
√ |
| JVR20N182K11 |
1800 |
1000 |
1465 |
2970 |
695,0 |
|
|
|
|
*) Напряжение ограничения от 180М до 680L определялось при токе 20А |
JVR Диаметр 5мм S-серия
|
|
| Обозначение |
Классификационное напряжение |
Рабочее напряжение |
Напряжение ограничения |
Ток перегрузки (8/20μs) |
Средняя мощность |
Максимальная энергия поглощения |
Сертификаты |
DC
(V) |
Допуск |
ACrms
(V) |
DC
(V) |
V5A
(V) |
1 time |
2 time |
(W) |
(J) |
 |
 |
 |
| (A) |
| JVR05S180M65 |
18 |
±20% |
11 |
14 |
40* |
250 |
125 |
0,01 |
0,7 |
√ |
|
√ |
| JVR05S220L65 |
22 |
±15% |
14 |
18 |
48 |
0,8 |
√ |
|
√ |
| JVR05S270K65 |
27 |
±10% |
17 |
22 |
60 |
1,1 |
√ |
|
√ |
| JVR05S330K65 |
33 |
20 |
26 |
73 |
1,3 |
√ |
|
√ |
| JVR05S390K65 |
39 |
25 |
31 |
86 |
1,5 |
√ |
|
√ |
| JVR05S470K65 |
47 |
30 |
38 |
104 |
1,8 |
√ |
|
√ |
| JVR05S560K65 |
56 |
35 |
45 |
123 |
2,2 |
√ |
|
√ |
| JVR05S680K65 |
68 |
40 |
56 |
150 |
2,6 |
√ |
|
√ |
| JVR05S820K65 |
82 |
50 |
65 |
145 |
800 |
600 |
0,1 |
3,5 |
√ |
|
√ |
| JVR05S101K65 |
100 |
60 |
85 |
175 |
4,5 |
√ |
|
√ |
| JVR05S121K65 |
120 |
75 |
100 |
210 |
5,5 |
√ |
|
√ |
| JVR05S151K65 |
150 |
95 |
125 |
260 |
6,5 |
√ |
|
√ |
| JVR05S181K65 |
180 |
115 |
150 |
320 |
8,0 |
√ |
|
√ |
| JVR05S201K65 |
200 |
130 |
170 |
355 |
8,5 |
√ |
√ |
√ |
| JVR05S221K65 |
220 |
140 |
180 |
380 |
9,0 |
√ |
√ |
√ |
| JVR05S241K65 |
240 |
150 |
200 |
415 |
10,5 |
√ |
√ |
√ |
| JVR05S271K65 |
270 |
175 |
225 |
475 |
11,0 |
√ |
√ |
√ |
| JVR05S301K65 |
300 |
195 |
250 |
525 |
12,0 |
√ |
√ |
√ |
| JVR05S331K65 |
330 |
210 |
275 |
575 |
13,0 |
√ |
√ |
√ |
| JVR05S361K65 |
360 |
230 |
300 |
620 |
16,0 |
√ |
√ |
√ |
| JVR05S391K65 |
390 |
250 |
320 |
675 |
17,0 |
√ |
√ |
√ |
| JVR05S431K65 |
430 |
275 |
350 |
745 |
20,0 |
√ |
√ |
√ |
| JVR05S471K65 |
470 |
300 |
385 |
810 |
21,0 |
√ |
√ |
√ |
| JVR05S511K65 |
510 |
320 |
418 |
880 |
22,0 |
√ |
√ |
√ |
| JVR05S561K65 |
560 |
350 |
460 |
940 |
25,0 |
√ |
√ |
√ |
| JVR05S621K65 |
620 |
385 |
505 |
1050 |
27,0 |
√ |
√ |
√ |
| JVR05S681K65 |
680 |
420 |
560 |
1150 |
28,0 |
√ |
√ |
√ |
| JVR05S751K65 |
750 |
460 |
615 |
1290 |
29,0 |
√ |
√ |
√ |
|
*) Напряжение ограничения от 180М до 680К определялось при токе 1А |
JVR Диаметр 7мм S-серия
|
|
| Обозначение |
Классификационное напряжение |
Рабочее напряжение |
Напряжение ограничения |
Ток перегрузки (8/20μs) |
Средняя мощность |
Максимальная энергия поглощения |
Сертификаты |
DC
(V) |
Допуск |
ACrms
(V) |
DC
(V) |
V10A
(V) |
1 time |
2 time |
(W) |
(J) |
 |
 |
 |
| (A) |
| JVR07S180M65 |
18 |
±20% |
11 |
14 |
36* |
500 |
250 |
0,02 |
1,5 |
√ |
|
√ |
| JVR07S220L65 |
22 |
±15% |
14 |
18 |
43 |
1,7 |
√ |
|
√ |
| JVR07S270K65 |
27 |
±10% |
17 |
22 |
53 |
2,1 |
√ |
|
√ |
| JVR07S330K65 |
33 |
20 |
26 |
65 |
2,8 |
√ |
|
√ |
| JVR07S390K65 |
39 |
25 |
31 |
77 |
3,0 |
√ |
|
√ |
| JVR07S470K65 |
47 |
30 |
38 |
93 |
3,8 |
√ |
|
√ |
| JVR07S560K65 |
56 |
35 |
45 |
110 |
4,4 |
√ |
|
√ |
| JVR07S680K65 |
68 |
40 |
56 |
135 |
5,4 |
√ |
|
√ |
| JVR07S820K65 |
82 |
50 |
65 |
135 |
1750 |
1250 |
0,25 |
7,0 |
√ |
|
√ |
| JVR07S101K65 |
100 |
60 |
85 |
165 |
9,0 |
√ |
|
√ |
| JVR07S121K65 |
120 |
75 |
100 |
200 |
11,0 |
√ |
|
√ |
| JVR07S151K65 |
150 |
95 |
125 |
250 |
13,0 |
√ |
|
√ |
| JVR07S181K65 |
180 |
115 |
150 |
300 |
16,0 |
√ |
|
√ |
| JVR07S201K65 |
200 |
130 |
170 |
340 |
17,5 |
√ |
√ |
√ |
| JVR07S221K65 |
220 |
140 |
180 |
360 |
19,0 |
√ |
√ |
√ |
| JVR07S241K65 |
240 |
150 |
200 |
395 |
21,0 |
√ |
√ |
√ |
| JVR07S271K65 |
270 |
175 |
225 |
455 |
24,0 |
√ |
√ |
√ |
| JVR07S301K65 |
300 |
195 |
250 |
505 |
26,0 |
√ |
√ |
√ |
| JVR07S331K65 |
330 |
210 |
275 |
550 |
28,0 |
√ |
√ |
√ |
| JVR07S361K65 |
360 |
230 |
300 |
595 |
32,0 |
√ |
√ |
√ |
| JVR07S391K65 |
390 |
250 |
320 |
650 |
35,0 |
√ |
√ |
√ |
| JVR07S431K65 |
430 |
275 |
350 |
710 |
40,0 |
√ |
√ |
√ |
| JVR07S471K65 |
470 |
300 |
385 |
775 |
42,0 |
√ |
√ |
√ |
| JVR07S511K65 |
510 |
320 |
418 |
842 |
45,0 |
√ |
√ |
√ |
| JVR07S561K65 |
560 |
350 |
460 |
920 |
51,0 |
√ |
√ |
√ |
| JVR07S621K65 |
620 |
385 |
505 |
1025 |
54,0 |
√ |
√ |
√ |
| JVR07S681K65 |
680 |
420 |
560 |
1120 |
56,0 |
√ |
√ |
√ |
| JVR07S751K65 |
750 |
460 |
615 |
1240 |
58,0 |
√ |
√ |
√ |
| JVR07S781K65 |
780 |
485 |
640 |
1290 |
59,0 |
√ |
√ |
√ |
| JVR07S821K65 |
820 |
510 |
670 |
1355 |
60,0 |
√ |
√ |
√ |
|
*) Напряжение ограничения от 180М до 680К определялось при токе 2,5А |
JVR Диаметр 10мм S-серия
|
|
| Обозначение |
Классификационное напряжение |
Рабочее напряжение |
Напряжение ограничения |
Ток перегрузки (8/20μs) |
Средняя мощность |
Максимальная энергия поглощения |
Сертификаты |
DC
(V) |
Допуск |
ACrms
(V) |
DC
(V) |
V25A
(V) |
1 time |
2 time |
(W) |
(J) |
 |
 |
 |
| (A) |
| JVR10S180M87 |
18 |
±20% |
11 |
14 |
36* |
1000 |
500 |
0,05 |
2,6 |
√ |
|
√ |
| JVR10S220L87 |
22 |
±15% |
14 |
18 |
43 |
3,2 |
√ |
|
√ |
| JVR10S270K87 |
27 |
±10% |
17 |
22 |
53 |
3,9 |
√ |
|
√ |
| JVR10S330K87 |
33 |
20 |
26 |
65 |
4,8 |
√ |
|
√ |
| JVR10S390K87 |
39 |
25 |
31 |
77 |
5,6 |
√ |
|
√ |
| JVR10S470K87 |
47 |
30 |
38 |
93 |
6,8 |
√ |
|
√ |
| JVR10S560K87 |
56 |
35 |
45 |
110 |
8,1 |
√ |
|
√ |
| JVR10S680K87 |
68 |
40 |
56 |
135 |
9,8 |
√ |
|
√ |
| JVR10S820K87 |
82 |
50 |
65 |
135 |
3500 |
2500 |
0,4 |
14,0 |
√ |
|
√ |
| JVR10S101K87 |
100 |
60 |
85 |
165 |
18,0 |
√ |
|
√ |
| JVR10S121K87 |
120 |
75 |
100 |
200 |
22,0 |
√ |
|
√ |
| JVR10S151K87 |
150 |
95 |
125 |
250 |
25,0 |
√ |
|
√ |
| JVR10S181K87 |
180 |
115 |
150 |
300 |
32,0 |
√ |
|
√ |
| JVR10S201K87 |
200 |
130 |
170 |
340 |
35,0 |
√ |
√ |
√ |
| JVR10S221K87 |
220 |
140 |
180 |
360 |
39,0 |
√ |
√ |
√ |
| JVR10S241K87 |
240 |
150 |
200 |
395 |
42,0 |
√ |
√ |
√ |
| JVR10S271K87 |
270 |
175 |
225 |
455 |
49,0 |
√ |
√ |
√ |
| JVR10S301K87 |
300 |
195 |
250 |
505 |
52,0 |
√ |
√ |
√ |
| JVR10S331K87 |
330 |
210 |
275 |
550 |
58,0 |
√ |
√ |
√ |
| JVR10S361K87 |
360 |
230 |
300 |
595 |
65,0 |
√ |
√ |
√ |
| JVR10S391K87 |
390 |
250 |
320 |
650 |
70,0 |
√ |
√ |
√ |
| JVR10S431K87 |
430 |
275 |
350 |
710 |
80,0 |
√ |
√ |
√ |
| JVR10S471K87 |
470 |
300 |
385 |
775 |
85,0 |
√ |
√ |
√ |
| JVR10S511K87 |
510 |
320 |
418 |
842 |
92,0 |
√ |
√ |
√ |
| JVR10S561K87 |
560 |
350 |
460 |
920 |
102,0 |
√ |
√ |
√ |
| JVR10S621K87 |
620 |
385 |
505 |
1025 |
107,0 |
√ |
√ |
√ |
| JVR10S681K87 |
680 |
420 |
560 |
1120 |
112,0 |
√ |
√ |
√ |
| JVR10S751K87 |
750 |
460 |
615 |
1240 |
115,0 |
√ |
√ |
√ |
| JVR10S781K87 |
780 |
485 |
640 |
1290 |
116,0 |
√ |
√ |
√ |
| JVR10S821K87 |
820 |
510 |
670 |
1355 |
118,0 |
√ |
√ |
√ |
| JVR10S911K87 |
910 |
550 |
745 |
1500 |
127,0 |
√ |
√ |
√ |
| JVR10S102K87 |
1000 |
625 |
825 |
1650 |
140,0 |
√ |
√ |
√ |
| JVR10S112K87 |
1100 |
680 |
895 |
1815 |
155,0 |
√ |
√ |
√ |
|
*) Напряжение ограничения от 180М до 680К определялось при токе 5А |
JVR Диаметр 14мм S-серия
|
|
| Обозначение |
Классификационное напряжение |
Рабочее напряжение |
Напряжение ограничения |
Ток перегрузки (8/20μs) |
Средняя мощность |
Максимальная энергия поглощения |
Сертификаты |
DC
(V) |
Допуск |
ACrms
(V) |
DC
(V) |
V50A
(V) |
1 time |
2 time |
(W) |
(J) |
 |
 |
 |
| (A) |
| JVR14S180M87 |
18 |
±20% |
11 |
14 |
36* |
2000 |
1000 |
0,1 |
5,2 |
√ |
|
√ |
| JVR14S220L87 |
22 |
±15% |
14 |
18 |
43 |
6,3 |
√ |
|
√ |
| JVR14S270K87 |
27 |
±10% |
17 |
22 |
53 |
7,8 |
√ |
|
√ |
| JVR14S330K87 |
33 |
20 |
26 |
65 |
9,5 |
√ |
|
√ |
| JVR14S390K87 |
39 |
25 |
31 |
77 |
11,0 |
√ |
|
√ |
| JVR14S470K87 |
47 |
30 |
38 |
93 |
14,0 |
√ |
|
√ |
| JVR14S560K87 |
56 |
35 |
45 |
110 |
16,0 |
√ |
|
√ |
| JVR14S680K87 |
68 |
40 |
56 |
135 |
20,0 |
√ |
|
√ |
| JVR14S820K87 |
82 |
50 |
65 |
135 |
6000 |
4500 |
0,6 |
28,0 |
√ |
|
√ |
| JVR14S101K87 |
100 |
60 |
85 |
165 |
36,0 |
√ |
|
√ |
| JVR14S121K87 |
120 |
75 |
100 |
200 |
44,0 |
√ |
|
√ |
| JVR14S151K87 |
150 |
95 |
125 |
250 |
53,0 |
√ |
|
√ |
| JVR14S181K87 |
180 |
115 |
150 |
300 |
65,0 |
√ |
|
√ |
| JVR14S201K87 |
200 |
130 |
170 |
340 |
70,0 |
√ |
√ |
√ |
| JVR14S221K87 |
220 |
140 |
180 |
360 |
78,0 |
√ |
√ |
√ |
| JVR14S241K87 |
240 |
150 |
200 |
395 |
84,0 |
√ |
√ |
√ |
| JVR14S271K87 |
270 |
175 |
225 |
455 |
99,0 |
√ |
√ |
√ |
| JVR14S301K87 |
300 |
195 |
250 |
505 |
105,0 |
√ |
√ |
√ |
| JVR14S331K87 |
330 |
210 |
275 |
550 |
115,0 |
√ |
√ |
√ |
| JVR14S361K87 |
360 |
230 |
300 |
595 |
130,0 |
√ |
√ |
√ |
| JVR14S391K87 |
390 |
250 |
320 |
650 |
140,0 |
√ |
√ |
√ |
| JVR14S431K87 |
430 |
275 |
350 |
710 |
155,0 |
√ |
√ |
√ |
| JVR14S471K87 |
470 |
300 |
385 |
775 |
175,0 |
√ |
√ |
√ |
| JVR14S511K87 |
510 |
320 |
418 |
842 |
190,0 |
√ |
√ |
√ |
| JVR14S561K87 |
560 |
350 |
460 |
920 |
205,0 |
√ |
√ |
√ |
| JVR14S621K87 |
620 |
385 |
505 |
1025 |
215,0 |
√ |
√ |
√ |
| JVR14S681K87 |
680 |
420 |
560 |
1120 |
225,0 |
√ |
√ |
√ |
| JVR14S751K87 |
750 |
460 |
615 |
1240 |
230,0 |
√ |
√ |
√ |
| JVR14S781K87 |
780 |
485 |
640 |
1290 |
233,0 |
√ |
√ |
√ |
| JVR14S821K87 |
820 |
510 |
670 |
1355 |
235,0 |
√ |
√ |
√ |
| JVR14S911K87 |
910 |
550 |
745 |
1500 |
255,0 |
√ |
√ |
√ |
| JVR14S102K87 |
1000 |
625 |
825 |
1650 |
283,0 |
√ |
√ |
√ |
| JVR14S112K87 |
1100 |
680 |
895 |
1815 |
310,0 |
√ |
√ |
√ |
|
*) Напряжение ограничения от 180М до 680К определялось при токе 10А |
JVR Диаметр 20мм S-серия
|
|
| Обозначение |
Классификационное напряжение |
Рабочее напряжение |
Напряжение ограничения |
Ток перегрузки (8/20μs) |
Средняя мощность |
Максимальная энергия поглощения |
Сертификаты |
DC
(V) |
Допуск |
ACrms
(V) |
DC
(V) |
V100A
(V) |
1 time |
2 time |
(W) |
(J) |
 |
 |
 |
| (A) |
| JVR20S180M11 |
18 |
±20% |
11 |
14 |
36* |
3000 |
2000 |
0,2 |
13,0 |
√ |
|
√ |
| JVR20S220M11 |
22 |
14 |
18 |
43 |
16,0 |
√ |
|
√ |
| JVR20S270M11 |
27 |
17 |
22 |
53 |
19,0 |
√ |
|
√ |
| JVR20S330M11 |
33 |
20 |
26 |
65 |
24,0 |
√ |
|
√ |
| JVR20S390L11 |
39 |
±15% |
25 |
31 |
77 |
28,0 |
√ |
|
√ |
| JVR20S470L11 |
47 |
30 |
38 |
93 |
34,0 |
√ |
|
√ |
| JVR20S560L11 |
56 |
35 |
45 |
110 |
41,0 |
√ |
|
√ |
| JVR20S680L11 |
68 |
40 |
56 |
135 |
49,0 |
√ |
|
√ |
| JVR20S820K11 |
82 |
±10% |
50 |
65 |
135 |
10000 |
6500 |
1,0 |
56,0 |
√ |
|
√ |
| JVR20S101K11 |
100 |
60 |
85 |
165 |
72,0 |
√ |
|
√ |
| JVR20S121K11 |
120 |
75 |
100 |
200 |
88,0 |
√ |
|
√ |
| JVR20S151K11 |
150 |
95 |
125 |
250 |
108,0 |
√ |
|
√ |
| JVR20S181K11 |
180 |
115 |
150 |
300 |
130,0 |
√ |
|
√ |
| JVR20S201K11 |
200 |
130 |
170 |
340 |
140,0 |
√ |
√ |
√ |
| JVR20S221K11 |
220 |
140 |
180 |
360 |
155,0 |
√ |
√ |
√ |
| JVR20S241K11 |
240 |
150 |
200 |
395 |
168,0 |
√ |
√ |
√ |
| JVR20S271K11 |
270 |
175 |
225 |
455 |
190,0 |
√ |
√ |
√ |
| JVR20S301K11 |
300 |
195 |
250 |
505 |
210,0 |
√ |
√ |
√ |
| JVR20S331K11 |
330 |
210 |
275 |
550 |
228,0 |
√ |
√ |
√ |
| JVR20S361K11 |
360 |
230 |
300 |
595 |
255,0 |
√ |
√ |
√ |
| JVR20S391K11 |
390 |
250 |
320 |
650 |
275,0 |
√ |
√ |
√ |
| JVR20S431K11 |
430 |
275 |
350 |
710 |
303,0 |
√ |
√ |
√ |
| JVR20S471K11 |
470 |
300 |
385 |
775 |
350,0 |
√ |
√ |
√ |
| JVR20S511K11 |
510 |
320 |
418 |
842 |
382,0 |
√ |
√ |
√ |
| JVR20S561K11 |
560 |
350 |
460 |
920 |
410,0 |
√ |
√ |
√ |
| JVR20S621K11 |
620 |
385 |
505 |
1025 |
420,0 |
√ |
√ |
√ |
| JVR20S681K11 |
680 |
420 |
560 |
1120 |
430,0 |
√ |
√ |
√ |
| JVR20S751K11 |
750 |
460 |
615 |
1240 |
440,0 |
√ |
√ |
√ |
| JVR20S781K11 |
780 |
485 |
640 |
1290 |
450,0 |
√ |
√ |
√ |
| JVR20S821K11 |
820 |
510 |
670 |
1355 |
460,0 |
√ |
√ |
√ |
| JVR20S911K11 |
910 |
550 |
745 |
1500 |
510,0 |
√ |
√ |
√ |
| JVR20S102K11 |
1000 |
625 |
825 |
1650 |
566,0 |
√ |
√ |
√ |
| JVR20S112K11 |
1100 |
680 |
895 |
1815 |
620,0 |
√ |
√ |
√ |
|
*) Напряжение ограничения от 180М до 680L определялось при токе 20А |
JVR Диаметр 14мм U-серия
|
|
| Обозначение |
Классификационное напряжение |
Рабочее напряжение |
Напряжение ограничения |
Ток перегрузки (8/20μs) |
Средняя мощность |
Максимальная энергия поглощения |
Сертификаты |
DC
(V) |
Допуск |
ACrms
(V) |
DC
(V) |
V50A
(V) |
1 time |
2 time |
(W) |
(J) |
 |
 |
 |
| (A) |
| JVR14U210K87 |
200 |
±10% |
130 |
170 |
340 |
6500 |
6000 |
0,6 |
84 |
√ |
√ |
|
| JVR14U221K87 |
220 |
140 |
180 |
360 |
93 |
√ |
√ |
|
| JVR14U241K87 |
240 |
150 |
200 |
395 |
101 |
√ |
√ |
|
|
JVR Диаметр 20мм U-серия
|
|
| Обозначение |
Классификационное напряжение |
Рабочее напряжение |
Напряжение ограничения |
Ток перегрузки (8/20μs) |
Средняя мощность |
Максимальная энергия поглощения |
Сертификаты |
DC
(V) |
Допуск |
ACrms
(V) |
DC
(V) |
V100A
(V) |
1 time |
2 time |
(W) |
(J) |
 |
 |
 |
| (A) |
| JVR20U201K11 |
200 |
±10% |
130 |
170 |
340 |
12500 |
10000 |
1,0 |
168 |
√ |
√ |
|
| JVR20U221K11 |
220 |
140 |
180 |
360 |
186 |
√ |
√ |
|
| JVR20U241K11 |
240 |
150 |
200 |
395 |
202 |
√ |
√ |
|
|
Сравнительные таблицы аналогов (Cross Reference charts) варисторов фирмы Joyin и других производителей.
Размеры варисторов JVR
|
|
 |
| Таблица размеров |
Единица измерения: мм |
| Диаметр |
5Ø |
7Ø |
10Ø |
14Ø |
20Ø |
| D max |
7.5 |
9.0 |
12.5 |
16.5 |
23 |
| d±0.05 |
0.6 |
0.6 |
0.6/0.8 |
0.8/1.0 |
0.8/1.0 |
| F±1.0 |
5.0 |
5.0 |
5.0/7.5 |
7.5/10.0 |
7.5/10.0 |
| H max |
11.0 |
13 |
18 |
22 |
28 |
| H1 max |
3.5 |
3.5 |
5 |
5 |
5 |
| L1 min |
25.0 |
25.0 |
25.0 |
25.0 |
25.0 |
| L min |
24.0 |
24.0 |
24.0 |
24.0 |
24.0 |
|
|
| Таблица значений Tmax, A и P1max |
Единица измерения: мм |
| Диаметр |
5Ø |
7Ø |
10Ø |
14Ø |
20Ø |
| Type No |
T max |
A±0.8 |
P1 max |
T max |
A±0.8 |
P1 max |
T max |
A±0.8 |
P1 max |
T max |
A±0.8 |
P1 max |
T max |
A±0.8 |
P1 max |
| 180M |
4.5 |
1.4 |
3.0 |
4.5 |
1.4 |
3.0 |
4.9 |
1.4 |
3.0 |
5.0 |
1.5 |
3.0 |
5.2 |
1.5 |
3.0 |
| 220L |
4.5 |
1.5 |
3.0 |
4.5 |
1.5 |
3.0 |
4.9 |
1.5 |
3.0 |
5.0 |
1.6 |
3.0 |
5.3 |
1.6 |
3.0 |
| 270K |
4.7 |
1.5 |
3.0 |
4.7 |
1.5 |
3.0 |
5.1 |
1.5 |
3.0 |
5.2 |
1.7 |
3.0 |
5.4 |
1.7 |
3.0 |
| 330K |
4.7 |
1.6 |
3.0 |
4.7 |
1.6 |
3.0 |
5.1 |
1.6 |
3.0 |
5.2 |
1.8 |
3.0 |
5.4 |
1.8 |
3.0 |
| 390K |
4.7 |
1.8 |
3.0 |
4.7 |
1.8 |
3.0 |
5.1 |
1.8 |
3.0 |
5.2 |
2.0 |
3.0 |
5.4 |
2.0 |
3.0 |
| 470K |
5.0 |
1.8 |
3.0 |
5.0 |
1.8 |
3.0 |
5.5 |
1.8 |
3.0 |
5.6 |
2.0 |
3.0 |
5.6 |
2.0 |
3.0 |
| 560K |
5.0 |
2.0 |
3.0 |
5.0 |
2.0 |
3.0 |
5.5 |
2.0 |
3.0 |
5.6 |
2.2 |
3.0 |
5.6 |
2.2 |
3.0 |
| 680K |
5.5 |
2.3 |
3.0 |
5.5 |
2.3 |
3.0 |
6.0 |
2.3 |
3.0 |
6.1 |
2.5 |
3.0 |
6.1 |
2.5 |
3.0 |
| 820K |
3.8 |
1.4 |
3.0 |
3.8 |
1.4 |
3.0 |
4.3 |
1.4 |
3.0 |
4.4 |
1.6 |
3.0 |
4.9 |
1.8 |
3.0 |
| 101K |
3.9 |
1.4 |
3.0 |
3.9 |
1.4 |
3.0 |
4.4 |
1.4 |
3.0 |
4.5 |
1.6 |
3.0 |
5.1 |
1.8 |
3.0 |
| 121K |
4.1 |
1.5 |
3.0 |
4.1 |
1.5 |
3.0 |
4.5 |
1.5 |
3.0 |
4.6 |
1.7 |
3.0 |
5.3 |
1.9 |
3.0 |
| 151K |
4.5 |
1.8 |
3.0 |
4.5 |
1.8 |
3.0 |
4.9 |
1.8 |
3.0 |
5.1 |
2.0 |
3.0 |
5.6 |
2.2 |
3.0 |
| 181K |
4.1 |
1.6 |
3.0 |
4.1 |
1.6 |
3.0 |
4.5 |
1.6 |
3.0 |
4.7 |
1.8 |
3.0 |
5.2 |
2.0 |
3.0 |
| 201K |
4.2 |
1.6 |
3.0 |
4.2 |
1.6 |
3.0 |
4.6 |
1.6 |
3.0 |
4.8 |
1.8 |
3.0 |
5.3 |
2.0 |
3.0 |
| 221K |
4.3 |
1.7 |
3.0 |
4.3 |
1.7 |
3.0 |
4.7 |
1.7 |
3.0 |
4.9 |
1.9 |
3.0 |
5.4 |
2.1 |
3.0 |
| 241K |
4.4 |
1.7 |
3.0 |
4.4 |
1.9 |
3.0 |
4.8 |
1.9 |
3.0 |
5.0 |
2.1 |
3.0 |
5.5 |
2.3 |
3.0 |
| 271K |
4.6 |
1.9 |
3.0 |
4.6 |
2.0 |
3.0 |
5.0 |
2.0 |
3.0 |
5.2 |
2.1 |
3.0 |
5.7 |
2.5 |
3.0 |
| 301K |
4.8 |
1.9 |
3.0 |
4.8 |
2.1 |
3.0 |
5.2 |
2.2 |
3.0 |
5.4 |
2.3 |
3.0 |
5.9 |
2.7 |
3.0 |
| 331K |
4.9 |
1.9 |
3.0 |
4.9 |
2.1 |
3.0 |
5.3 |
2.2 |
3.0 |
5.5 |
2.3 |
3.0 |
6.0 |
2.7 |
3.0 |
| 361K |
5.1 |
2.4 |
3.0 |
5.1 |
2.5 |
3.0 |
5.5 |
2.5 |
3.0 |
5.7 |
2.7 |
3.0 |
6.2 |
2.9 |
3.0 |
| 391K |
5.3 |
2.6 |
3.5 |
5.3 |
2.6 |
3.5 |
5.7 |
2.8 |
3.5 |
5.9 |
2.8 |
3.5 |
6.4 |
3.0 |
3.5 |
| 431K |
6.1 |
2.7 |
3.5 |
6.1 |
2.9 |
3.5 |
6.5 |
3.1 |
3.5 |
6.7 |
3.1 |
3.5 |
7.2 |
3.3 |
3.5 |
| 471K |
6.4 |
2.8 |
3.5 |
6.4 |
2.9 |
3.5 |
6.8 |
3.2 |
3.5 |
7.0 |
3.3 |
3.5 |
7.5 |
3.5 |
4.0 |
| 511K |
6.6 |
3.1 |
4.0 |
6.6 |
3.1 |
4.0 |
7.0 |
3.7 |
4.0 |
7.2 |
3.7 |
4.0 |
7.7 |
3.9 |
4.0 |
| 561K |
6.9 |
3.4 |
4.0 |
6.9 |
3.4 |
4.0 |
7.3 |
4.0 |
4.0 |
7.5 |
4.0 |
4.0 |
8.0 |
4.2 |
4.0 |
| 621K |
7.2 |
3.7 |
4.0 |
7.2 |
3.7 |
4.0 |
7.6 |
4.6 |
4.0 |
7.8 |
4.4 |
4.0 |
8.3 |
4.7 |
4.0 |
| 681K |
7.5 |
4.0 |
4.0 |
7.5 |
4.0 |
4.0 |
8.0 |
5.0 |
4.0 |
8.2 |
4.7 |
4.0 |
8.7 |
5.0 |
4.0 |
| 751K |
7.9 |
4.3 |
4.0 |
7.9 |
4.3 |
4.0 |
8.4 |
5.0 |
4.0 |
8.6 |
4.9 |
4.0 |
9.1 |
5.1 |
4.0 |
| 781K |
|
|
|
8.1 |
4.5 |
4.0 |
8.6 |
5.2 |
4.0 |
8.8 |
5.2 |
4.0 |
9.3 |
5.4 |
4.0 |
| 821K |
|
|
|
8.3 |
4.7 |
4.0 |
8.8 |
5.2 |
4.0 |
9.0 |
5.2 |
4.0 |
9.5 |
5.4 |
4.0 |
| 911K |
|
|
|
|
|
|
9.4 |
6.0 |
4.0 |
9.6 |
6.0 |
4.0 |
10.1 |
6.3 |
4.0 |
| 102K |
|
|
|
|
|
|
9.9 |
6.0 |
4.0 |
10.1 |
6.2 |
4.0 |
10.7 |
6.4 |
4.0 |
| 112K |
|
|
|
|
|
|
10.5 |
6.3 |
4.0 |
10.7 |
6.7 |
4.0 |
11.2 |
6.9 |
4.0 |
| 182K |
|
|
|
|
|
|
12.6 |
9.8 |
6.0 |
12.8 |
10.2 |
6.0 |
13.5 |
10.4 |
6.0 |
|
|
| |
Варианты упаковки варисторов JVR
|
|
 |
|
| Расшифровка обозначений размеров |
| Символ |
Описание |
5Ø,7Ø |
10Ø |
10Ø,14Ø,20Ø |
14Ø,20Ø |
| l |
Длина выводов, выступающих за нижний край ленты |
1.1мм max |
| H1 (тип Y) |
Высота изгиба |
3.5мм max |
5.0мм max |
5.0мм max |
| H0 (тип Y) |
Расстояние между центром перфорации и началом изгиба |
16.0±0.5мм |
| H0 (тип P) |
Расстояние между центром перфорации и началом элемента |
16.0...21.0мм |
| Δh |
Центровка элемента |
±2.0мм |
| W |
Ширина несущей ленты |
|
| W0 |
Ширина крепежной ленты |
10.0мм |
12.0мм |
| W1 |
Расстояние между центром перфорации и верхним краем ленты |
|
| W2 |
Смещение ленты |
3.0мм max |
| F |
Расстояние между выводами элемента |
|
|
|
| P |
Шаг между элементами |
12.7±1.0мм |
25.4±1.0мм |
| P0 |
Шаг перфорации |
12.7±0.3мм |
| P1 |
Расстояние между центром перфорации и выводом элемента |
3.85±0.7мм |
8.95±0.7мм |
7.7±0.7мм |
| P2 |
Расстояние между центром перфорации и центром элемента |
6.35±1.3мм |
12.7±1.3мм |
| D0 |
Диаметр перфорации |
4.0±0.2мм |
| d |
Диаметр выводов |
0.6±0.05мм |
0.8±0.05мм |
1.0±0.05мм |
| T |
Толщина диска |
См. в таблице T max |
| t1 |
Общая толщина ленты |
0.7±0.05мм |
| t2 |
Общая толщина |
1.6мм max |
1.8мм max |
|
|
Варианты упаковки варисторов JVR
|
| Единица измерения: мм |
 |
|
| Расфасовка варисторов JVR |
| Номинал, размер |
5Ø |
7Ø |
10Ø |
14Ø |
20Ø |
Россыпь
коробка |
Лента в катушке |
Лента в коробке |
Россыпь
коробка |
Лента в катушке |
Лента в коробке |
Россыпь
коробка |
Лента в катушке |
Лента в коробке |
Россыпь
коробка |
Лента в катушке |
Лента в коробке |
Россыпь
коробка |
Лента в катушке |
Лента в коробке |
| F=7.5 |
F=5.0 |
| 180M...470K |
5000 |
1500 |
1500 |
5000 |
1500 |
1500 |
2500 |
1000 |
500 |
1000 |
1500 |
750 |
500 |
750 |
500 |
500 |
| 560K...680K |
5000 |
1500 |
1000 |
5000 |
1500 |
1000 |
2500 |
1000 |
500 |
1000 |
1500 |
750 |
500 |
750 |
500 |
500 |
| 820K...331K |
5000 |
1500 |
1500 |
5000 |
1500 |
1500 |
2500 |
1000 |
500 |
1000 |
1500 |
750 |
500 |
750 |
500 |
500 |
| 361K...391K |
5000 |
1500 |
1000 |
5000 |
1500 |
1000 |
2500 |
1000 |
500 |
1000 |
1500 |
750 |
500 |
750 |
500 |
500 |
| 431K...471K |
5000 |
1500 |
1000 |
5000 |
1000 |
1000 |
2000 |
750 |
500 |
750 |
1500 |
750 |
500 |
750 |
500 |
500 |
| 511K...751K |
4000 |
1000 |
1000 |
4000 |
1000 |
1000 |
1500 |
500 |
500 |
500 |
750 |
500 |
500 |
450 |
500 |
500 |
| 781K...182K |
- |
- |
- |
- |
- |
- |
1500 |
500 |
500 |
500 |
750 |
500 |
500 |
450 |
500 |
500 |
|
|
| |
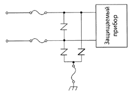
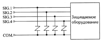
Эксплуатационные характеристики варисторов JVR, испытание на воздействие внешних условий и механических свойств
|
|
Влажность
Образцы подвергаются температуре 40 ± 2°С и влажности 90 ... 95%RH в течение 1000 часов без нагрузки и затем хранятся в помещении при комнатной температуре и влажности в течение 1-2 часов. После этого замеряется изменение напряжения Vb, которое должно отвечать следующему требованию: ΔVb/Vb ≤ ±5%
|
Длительность импульса
Образцы подвергаются воздействию 1000 импульсов с интервалом 30 сек при комнатной температуре и затем замеряется изменение Vb, которое должно соответствовать : ΔVb/Vb ≤ ±10%
|
Хранение при низкой температуре
Образцы помещаются на хранение при температуре -40 ± 2°С в течение 1000 часов без нагрузки и затем хранятся в помещении при комнатной температуре и нормальной влажности в течение 1-2 часов. После этого замеряется изменение напряжения Vb , которое должно отвечать следующему требованию: ΔVb/Vb ≤ ±5%
|
Нагрузка при высокой температуре
После длительного воздействия максимально допустимого напряжения при температуре 85 ± 2°С в течение 1000 часов образцы помещаются на хранение при комнатной температуре и нормальной влажности в течение 1-2 часов. Изменение напряжения Vb должно отвечать следующему требованию: ΔVb/Vb ≤ ±10%
|
Хранение при высокой температуре
Образцы подвергаются температуре 125 ± 2°С в течение 1000 часов в сушильном и затем хранятся в помещении при комнатной температуре и нормальной влажности в течение 1-2 часов. После этого замеряется изменение напряжения Vb , которое должно отвечать следующему требованию: ΔVb/Vb ≤ ±5%
|
Пробивное (выдерживаемое) напряжение
|
| Пробивное напряжение |
Заданное напряжение прикладывается к обоим выводам образца, соединенных вместе, в течение 1 мин. Образец обследуется на наличие электрического пробоя. |
Нет пробоя |
| Номинальное варисторное напряжение |
Тестовое напряжение |
| V0,1mA, V1mA≤330V |
1000 Vrms |
| V0,1mA, V1mA>330V |
1500 Vrms |
|
|
| |
Кривые ухудшения параметров варисторов JVR
|
|
  |
  |
  |
  |
Вольт-амперные характеристики варисторов JVR
|
|
 |
 |
 |
 |
 |
 |
 |
 |
 |
 |
 |
 |
 |
 |
 |
 |
 |
 |
 |
 |
 |
 |
 |
 |
 |
 |
Как выбрать варистор
|
|
- Определить источник и направление перенапряжения
- Выбрать метод подключения варистора
- Определить рабочее и максимально возможное напряжение на варисторе при перенапряжении
- Определить форму кривой тока перегрузки по значениям напряжения и волнового сопротивления
- Проверить, соответствуют максимальный ток нагрузки и время отклика требуемым значениям
- Определить отклонение электрической мощности защищаемого прибора
- Должно соблюдаться соотношение:
Максимальное выдерживаемое напряжение защищаемого устройства > напряжения ограничения варистора > реально возникающее напряжения ограничения > напряжение пробоя варистора > рабочее напряжение защищаемого устройства
- Определить, не наблюдается ли снижение емкости конденсатора варистора в условиях эксплуатации (в рабочих условиях)
- Выяснить, не существует ли проблем, вызванных чрезмерным током утечки
- Определить условия, при которых варистор перегружается
- Определить возможные проблемы при различных условиях работы
- Протестировать и подвергнуть проверке в реальных условиях
- Проверить соединение заземляющего провода
|
Примеры применения варисторов
|
| Выбор напряжения варистора в линейных схемах |
| Напряжение источника питания |
Тип варистора |
| 100V AC |
JVR  201K JVR  221K
JVR  241K JVR  271K |
| 200V AC |
JVR  391K JVR  431K
JVR  471K |
| 12V DC |
JVR  220L |
| 24V DC |
JVR  390K |
|
AC/DC однофазная цепь
|
Выбор напряжения варистора в трехфазных схемах
|
AC трехфазная цепь
|
| Напряжение источника питания |
Тип варистора |
| 100V, AC 200V AC |
JVR  431K JVR  471K
JVR  751K JVR  112K |
|
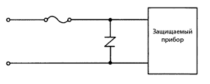
Выбор напряжения варистора для защиты переключающих схем
|
AC/DC однофазная цепь
 |
| Напряжение источника питания |
Тип варистора |
| 12V DC |
JVR  220L |
| 24V DC |
JVR  390K |
| 100V DC |
JVR  151K |
| 100V AC |
JVR  201K JVR  221K
JVR  241K JVR  271K |
|
Выбор напряжения варистора для защиты телекоммуникационных схем
|
AC трехфазная цепь
|
| Напряжение источника питания |
Тип варистора |
| 12V DC |
JVR  220L
JVR  820K...JVR  112K |
| 24V DC |
JVR  390K
JVR  820K...JVR  112K |
|
- размер варистора (диаметр диска)
- серия (N,S,U) |
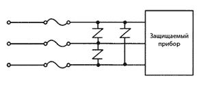
| Выбор номинала предохранителя в схемах, где предусмотрена защита схемы предохранителем при повреждении варистора |
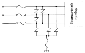
Защита телекоммуникационных линий
|
| Диаметр варистора |
5Ø |
7Ø |
10Ø |
14Ø |
20Ø |
| Номинал предохранителя |
≤1A |
≤3A |
≤5A |
≤10A |
≤15A |
|
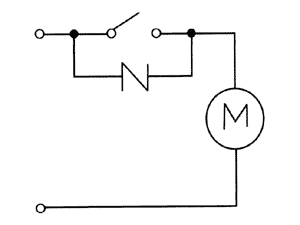
| Защита реле |
Устранение искрового разряда |
 |
 |
|
| Защита полупроводников |
 |
|
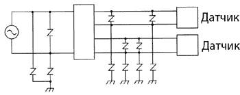
Защита сигнальных линий от перенапряжения
 |
Защита системы пожарной сигнализации
 |
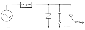
Защита тиристора
 |
Защита симистора
 |
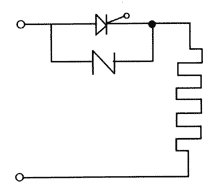
Защита катушки индуктивности
 |
Защита контактов
 |
Электрическая плита, водонагреватель
 |
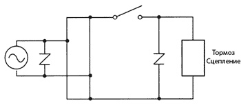
Защита тормоза, сцепления
 |
|
|
|
| |
|
|