Варисторы технические характеристики >>
| JVR
| SAS
| AVX
| MYG
| HEL |
| Таблицы аналогов варисторов различных производителей |
Варисторы CNR
Спецификация
|
| Диапазон рабочих напряжений варисторов
Диапазон номинальных разрядных токов при импульсе 8/20μs
Максимальная энергия поглощения при импульсе 10/1000μs
Диапазон рабочих температур
Диапазон температур хранения
Время срабатывания
Сопротивление изоляции |
18 - 1800В DC
100 - 6500 A
0.4 - 625 Дж
-40 ~ + 85°С
-55 ~ + 125°С
<25 нс
> 1000 МОм |
|
|
| Маркировка варисторов CNR |
| |
|
|
|
|
|
| |
|
|
|
|
|
|
|
|
|
Допуск
K - 10%
или по требованию |
| |
|
|
|
|
|
|
|
|
|
Напряжение
Рассчитывается умножением первых двух цифр на 10 в степени равной третьей цифре |
| |
|
|
|
|
|
|
|
|
|
Тип
Дисковые |
| |
|
|
|
|
|
|
|
|
|
Диаметр
05 - 5.0мм
07 - 7.0мм
10 - 10.0мм
14 - 14.0мм
20 - 20.0мм |
| |
|
|
|
|
|
|
|
|
|
Серия
Полное название CeNtRa металлооксидные варисторы |
|
Номиналы и характеристики варисторов CNR
|
|
| Тип |
Максимальное рабочее напряжение |
Классификационное напряжение Vв, В притоке 1 мА |
Максимальное напряжение ограничения и ток срабатывания(8/20μs) |
Максимальная энергия поглощения(J) |
Разрядный ток (8/20μs) |
Средняя мощность рассеивания |
Емкость варистора (1KHz) |
| Обозначение |
VAC |
V DC |
Мин. |
Vb(V DC) |
Макс. |
Vc(V) |
Ip(A) |
10/1000μs |
Iмакс. (A) |
(W) |
(pF) |
| CNR-05D180K |
11 |
14 |
14.4 |
18 |
21.6 |
44 |
1 |
0.4 |
100 |
0.01 |
1600 |
| CNR-07D180K |
42 |
2.5 |
0.9 |
250 |
0.02 |
3800 |
| CNR-10D180K |
39 |
5 |
2.1 |
500 |
0.05 |
16000 |
| CNR-14D180K |
39 |
10 |
4.0 |
1000 |
0.10 |
25000 |
| CNR-20D180K |
39 |
20 |
11.0 |
2000 |
0.20 |
40000 |
| CNR-05D220K |
14 |
18 |
18.7 |
22 |
26 |
51 |
1 |
0.5 |
100 |
0.01 |
1500 |
| CNR-07D220K |
47 |
2.5 |
1.1 |
250 |
0.02 |
3600 |
| CNR-10D220K |
43 |
5 |
2.5 |
500 |
0.05 |
11000 |
| CNR-14D220K |
43 |
10 |
5.0 |
1000 |
0.10 |
20000 |
| CNR-20D220K |
43 |
20 |
14.0 |
2000 |
0.20 |
30000 |
| CNR-05D270K |
17 |
22 |
23 |
27 |
31.1 |
60 |
1 |
0.6 |
100 |
0.01 |
1450 |
| CNR-07D270K |
53 |
2.5 |
1.4 |
250 |
0.02 |
3400 |
| CNR-10D270K |
53 |
5 |
3.0 |
500 |
0.05 |
8000 |
| CNR-14D270K |
53 |
10 |
6.0 |
1000 |
0.10 |
16000 |
| CNR-20D270K |
53 |
20 |
18.0 |
2000 |
0.20 |
24500 |
| CNR-05D330K |
20 |
26 |
29.5 |
33 |
36.5 |
73 |
1 |
0.8 |
100 |
0.01 |
1400 |
| CNR-07D330K |
65 |
2.5 |
1.7 |
250 |
0.02 |
2900 |
| CNR-10D330K |
65 |
5 |
4.0 |
500 |
0.05 |
6300 |
| CNR-14D330K |
65 |
10 |
7.5 |
1000 |
0.10 |
12200 |
| CNR-20D330K |
65 |
20 |
23.0 |
2000 |
0.20 |
20000 |
| CNR-05D390K |
25 |
31 |
35 |
39 |
46 |
86 |
1 |
0.9 |
100 |
0.01 |
700 |
| CNR-07D390K |
43 |
77 |
2.5 |
2.1 |
250 |
0.02 |
1600 |
| CNR-10D390K |
43 |
77 |
5 |
4.6 |
500 |
0.05 |
5200 |
| CNR-14D390K |
43 |
77 |
10 |
8.6 |
1000 |
0.10 |
7000 |
| CNR-20D390K |
43 |
77 |
20 |
26.0 |
2000 |
0.20 |
13800 |
| CNR-05D470K |
30 |
38 |
42 |
47 |
55 |
104 |
1 |
1.1 |
100 |
0.01 |
650 |
| CNR-07D470K |
52 |
93 |
2.5 |
2.5 |
250 |
0.02 |
1550 |
| CNR-10D470K |
52 |
93 |
5 |
5.5 |
500 |
0.05 |
4600 |
| CNR-14D470K |
52 |
93 |
10 |
10.0 |
1000 |
0.10 |
6750 |
| CNR-20D470K |
52 |
93 |
20 |
33.0 |
2000 |
0.20 |
13500 |
| CNR-05D560K |
35 |
45 |
50 |
56 |
66 |
123 |
1 |
1.3 |
100 |
0.01 |
600 |
| CNR-07D560K |
62 |
110 |
2.5 |
3.1 |
250 |
0.02 |
1500 |
| CNR-10D560K |
62 |
110 |
5 |
7.0 |
500 |
0.05 |
3750 |
| CNR-14D560K |
62 |
110 |
10 |
11.0 |
1000 |
0.10 |
6500 |
| CNR-20D560K |
62 |
110 |
20 |
41.0 |
2000 |
0.20 |
12200 |
| CNR-05D680K |
40 |
56 |
61 |
68 |
80 |
150 |
1 |
1.6 |
100 |
0.01 |
580 |
| CNR-07D680K |
75 |
135 |
2.5 |
3.6 |
250 |
0.02 |
1200 |
| CNR-10D680K |
75 |
135 |
5 |
8.2 |
500 |
0.05 |
2800 |
| CNR-14D680K |
75 |
135 |
10 |
14.0 |
1000 |
0.10 |
5500 |
| CNR-20D680K |
75 |
135 |
20 |
46.0 |
2000 |
0.20 |
11500 |
| CNR-05D820K |
50 |
65 |
74 |
82 |
90 |
145 |
5 |
2.5 |
400 |
0.10 |
310 |
| CNR-07D820K |
135 |
10 |
5.5 |
1200 |
0.25 |
860 |
| CNR-10D820K |
135 |
25 |
12.0 |
2500 |
0.40 |
1920 |
| CNR-14D820K |
135 |
50 |
22.0 |
4500 |
0.60 |
4300 |
| CNR-20D820K |
135 |
100 |
38.0 |
6500 |
1.00 |
8200 |
| CNR-05D101K |
60 |
85 |
90 |
100 |
110 |
175 |
5 |
3.0 |
400 |
0.25 |
290 |
| CNR-07D101K |
165 |
10 |
6.5 |
1200 |
0.25 |
750 |
| CNR-10D101K |
165 |
25 |
15.0 |
2500 |
0.40 |
1800 |
| CNR-14D101K |
165 |
50 |
28.0 |
4500 |
0.60 |
3500 |
| CNR-20D101K |
165 |
100 |
45.0 |
6500 |
1.00 |
8000 |
| CNR-05D121K |
75 |
100 |
108 |
120 |
132 |
210 |
5 |
4.0 |
400 |
0.10 |
270 |
| CNR-07D121K |
200 |
10 |
7.8 |
1200 |
0.25 |
530 |
| CNR-10D121K |
200 |
25 |
18.0 |
2500 |
0.40 |
1500 |
| CNR-14D121K |
200 |
50 |
32.0 |
4500 |
0.60 |
2500 |
| CNR-20D121K |
200 |
100 |
55.0 |
6500 |
1.00 |
5500 |
| CNR-05D151K |
95 |
125 |
135 |
150 |
165 |
260 |
5 |
4.8 |
400 |
0.10 |
240 |
| CNR-07D151K |
250 |
10 |
9.7 |
1200 |
0.25 |
410 |
| CNR-10D151K |
250 |
25 |
22.0 |
2500 |
0.40 |
1200 |
| CNR-14D151K |
250 |
50 |
40.0 |
4500 |
0.60 |
2100 |
| CNR-20D151K |
250 |
100 |
106.0 |
12000 |
1.00 |
4500 |
| CNR-05D181K |
115 |
150 |
162 |
180 |
198 |
325 |
5 |
5.9 |
400 |
0.10 |
140 |
| CNR-07D181K |
300 |
10 |
11.7 |
1200 |
0.25 |
300 |
| CNR-10D181K |
300 |
25 |
27.0 |
2500 |
0.40 |
620 |
| CNR-14D181K |
300 |
50 |
50.0 |
4500 |
0.60 |
1250 |
| CNR-20D181K |
300 |
100 |
85.0 |
6500 |
1.00 |
2500 |
| CNR-05D201K |
130 |
175 |
185 |
200 |
225 |
355 |
5 |
6.5 |
400 |
0.10 |
120 |
| CNR-07D201K |
340 |
10 |
13.0 |
1200 |
0.25 |
250 |
| CNR-10D201K |
340 |
25 |
30.0 |
2500 |
0.40 |
570 |
| CNR-14D201K |
340 |
50 |
57.0 |
4500 |
0.60 |
1150 |
| CNR-20D201K |
340 |
100 |
95.0 |
6500 |
1.00 |
2300 |
|
|
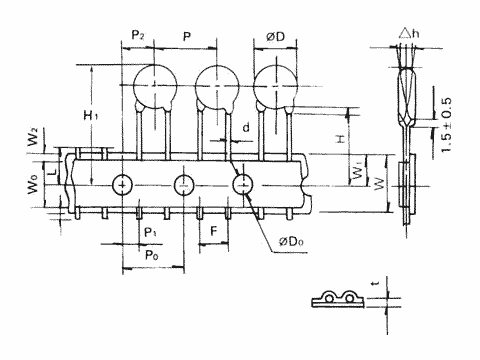
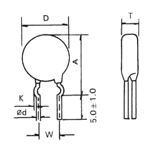
Размеры варисторов CNR
|
|
| Символ |
"Размеры, мм" |
| 05D |
07D |
10D |
14D |
18D |
20D |
| D(макс.) |
7.5 |
9 |
14 |
17.5 |
23 |
25 |
| H(макс.) |
10 |
12 |
17 |
20.5 |
26 |
28 |
| W(+1.0) |
5 |
5 |
7.5 |
7.5 |
7.5 |
10 |
| L(min.) |
25 |
25 |
25 |
25 |
25 |
25 |
| d(+0.02) |
0.6 |
0.6 |
0.8 |
0.8 |
0.8 |
1 |
|
|
 |
|
| T(макс.) |
Размеры, мм |
| Серия |
5D |
7D |
10D |
14D |
18D |
20D |
| 180K |
3.3 |
3.5 |
3.9 |
4 |
4.2 |
4.3 |
| 220K |
3.6 |
3.8 |
4.2 |
4.3 |
4.5 |
4.6 |
| 270K |
3.8 |
4 |
4.4 |
4.5 |
4.7 |
4.8 |
| 330K |
3.3 |
3.5 |
3.9 |
4 |
4.2 |
4.3 |
| 390K |
3.5 |
3.7 |
4.1 |
4.2 |
4.4 |
4.5 |
| 470K |
3.7 |
3.9 |
4.3 |
4.4 |
4.6 |
4.7 |
| 560K |
4 |
4.2 |
4.6 |
4.7 |
4.9 |
5 |
| 680K |
4.3 |
4.5 |
4.9 |
5 |
5.2 |
5.3 |
| 820K |
3.3 |
3.5 |
3.9 |
4 |
4.2 |
4.3 |
| 101K |
3.6 |
3.8 |
4.2 |
4.3 |
4.5 |
4.6 |
| 121K |
3.8 |
4 |
4.4 |
4.5 |
4.7 |
4.8 |
| 151K |
4.1 |
4.3 |
4.7 |
4.8 |
5 |
5.1 |
| 181K |
3.2 |
3.4 |
3.8 |
3.9 |
4.1 |
4.2 |
| 201K |
3.3 |
3.5 |
3.9 |
4 |
4.2 |
4.3 |
| 221K |
3.4 |
3.6 |
4 |
4.1 |
4.3 |
4.4 |
| 241K |
3.5 |
3.7 |
4.1 |
4.2 |
4.4 |
4.5 |
| 271K |
3.7 |
3.9 |
4.2 |
4.3 |
4.5 |
4.6 |
|
| T(макс.) |
Размеры, мм |
| Серия |
05D |
07D |
10D |
14D |
18D |
20D |
| 301K |
3.9 |
4.1 |
4.3 |
4.4 |
4.6 |
4.7 |
| 331K |
4 |
4.2 |
4.5 |
4.6 |
4.8 |
4.9 |
| 361K |
4.1 |
4.3 |
4.7 |
4.8 |
5 |
5.1 |
| 391K |
4.2 |
4.4 |
4.8 |
4.9 |
5.1 |
5.2 |
| 431K |
4.4 |
4.6 |
5 |
5.1 |
5.3 |
5.4 |
| 471K |
4.6 |
4.8 |
5.2 |
5.3 |
5.5 |
5.6 |
| 511K |
4.8 |
5 |
5.3 |
5.4 |
5.6 |
5.7 |
| 561K |
5 |
5.2 |
5.5 |
5.6 |
5.7 |
5.9 |
| 621K |
5.3 |
5.5 |
5.7 |
5.8 |
6 |
6.1 |
| 681K |
5.4 |
5.6 |
5.8 |
5.9 |
6.1 |
6.2 |
| 751K |
5.6 |
5.8 |
6 |
6.1 |
6.3 |
6.4 |
| 781K |
5.8 |
6 |
6.3 |
6.4 |
6.6 |
6.7 |
| 821K |
3 |
6.3 |
6.5 |
6.6 |
6.8 |
6.9 |
| 911K |
x |
x |
6.6 |
6.7 |
6.9 |
7 |
| 102K |
x |
x |
7 |
7.1 |
7.3 |
7.4 |
| 112K |
x |
x |
7.4 |
7.5 |
7.7 |
7.9 |
| 182K |
x |
x |
x |
11.5 |
11.7 |
11.9 |
|
|
Варианты упаковки варисторов CNR
|
|
| Наименование |
Мин.количество в пакете, россыпь (шт.) |
Бумажная коробка (шт.) |
Картонная коробка (шт.) |
| CNR05D 180K - CNR05D 391K |
1,000 |
10,000 |
20,000 |
| CNR05D 431K - CNR05D 621K |
1,000 |
10,000 |
20,000 |
| CNR07D 180K - CNR07D 391K |
1,000 |
10,000 |
20,000 |
| CNR07D 431K - CNR07D 621K |
1,000 |
8,000 |
16,000 |
| CNR07D 681K - CNR07D 821K |
1,000 |
5,000 |
10,000 |
| CNR10D 180K - CNR10D 391K |
500 |
5,000 |
10,000 |
| CNR10D 431K - CNR10D 102K |
500 |
4,000 |
8,000 |
| CNR14D 180K - CNR14D 391K |
500 |
3,000 |
6,000 |
| CNR14D 431K - CNR14D 621K |
500 |
2,500 |
5,000 |
| CNR14D 681K - CNR14D 102K |
500 |
2,000 |
4,000 |
| CNR20D 180K - CNR20D 391K |
250 |
1,500 |
3,000 |
| CNR20D 431K - CNR20D 621K |
250 |
1,250 |
2,500 |
| CNR20D681K - CNR20D 102K |
250 |
1,000 |
2,000 |
|
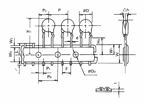
| Формованные выводы |
 |
| Прямые выводы |
 |
Размеры, мм
| Символ |
Параметр |
Серия |
| 05D |
07D |
10D |
14D |
| P |
Шаг между элементами |
12.7 ± 1.0 |
12.7 ± 1.0 |
12.7 ± 1.0 |
25.4 ± 1.0 |
| Po |
Шаг перфорации |
12.7 ± 0.2 |
12.7 ± 0.2 |
12.7 ± 0.2 |
12.7 ± 0.2 |
| P1 |
Расстояние между центром перфорации и выводом элемента |
3.85 ± 0.7 |
3.85 ± 0.7 |
2.6 ± 0.7 |
2.6 ± 0.7 |
| P2 |
Расстояние между центром перфорации и центром элемента |
6.35 ± 0.7 |
6.35 ± 0.7 |
6.35 ± 0.7 |
6.35 ± 0.7 |
| F |
Расстояние между выводами элементов |
5.0 ± 0.8 |
5.0 ± 08 |
7.5 ± 08 |
7.5 ± 08 |
| Δh |
Центровка элемента |
2.0 Max |
2.0 Max |
2.0 Max |
2.0 Max |
| W |
Полная ширина ленты |
18.0 + 1.0
18.0 - 0.5 |
18.0 + 1.0
18.0 - 0.5 |
18.0 + 1.0
18.0 - 0.5 |
18.0 + 1.0
18.0 - 0.5 |
| Wo |
Ширина крепежной ленты |
16.0 ± 0.3 |
16.0 ± 0.3 |
16.0 ± 0.3 |
16.0 ± 0.3 |
| W1 |
Расстояние между центром перфорации и верхним краем ленты |
9.0 + 0.75
9.0 - 0.50 |
9.0 + 0.75
9.0 - 0.50 |
9.0 + 0.75
9.0 - 0.50 |
9.0 + 0.75
9.0 - 0.50 |
| W2 |
Смещение ленты |
0.5 Max |
0.5 Max |
0.5 Max |
0.5 Max |
| H |
Расстояние между центром перфорации и началом вывода |
18.0 + 2.0
18.0 - 0.0 |
18.0 + 2.0
18.0 - 0.0 |
18.0 + 2.0
18.0 - 0.0 |
18.0 + 2.0
18.0 - 0.0 |
| Ho |
Расстояние между центром перфорации и формовкой |
16.0 ± 0.5 |
16.0 ± 0.5 |
16.0 ± 0.5 |
16.0 ± 0.5 |
| H1 |
Расстояние между центром перфорации и верхним краем элемента |
29.0 Max |
32.0 Max |
36.0 Max |
40.0 Max |
| Do |
Диаметр перфорации |
4.0 ± 0.2 |
4.0 ± 0.2 |
4.0 ± 0.2 |
4.0 ± 0.2 |
| t |
Общая толщина ленты |
0.7 ± 0.2 |
0.7 ± 0.2 |
0.7 ± 0.2 |
0.7 ± 0.2 |
| L |
Длина закрепленных выводов |
11.0 Max |
11.0 Max |
11.0 Max |
11.0 Max |
|
Размеры упаковки
| |
Коробка |
Катушка |
| Размеры |
 |
 |
| |
5D |
7D |
10D |
|
5D |
7D |
10D |
14D |
| A |
55 макс. |
W |
45 |
55 |
| B |
330 макс. |
D |
360 макс. |
| C |
340 макс. |
A |
Ø30 |
| |
|
B |
Ø90 |
|
Обозначение для заказа (плоские коробки)
| Стандартное обозначение варисторов |
Лента (варисторы с прямыми выводами) |
Лента (варисторы с формованными выводами) |
Макс.количество |
Количество в упаковке |
Количество в картонной коробке |
| CNR-05D XXXK |
CNR-05D XXXK-BTS |
CNR-05D XXXK-BTK |
2000/1500 |
4000/3000 |
20000/15000 |
| CNR-07D XXXK |
CNR-07D XXXK-BTS |
CNR-07D XXXK-BTK |
2000/1500 |
4000/3000 |
20000/15000 |
| CNR-10D XXXK |
CNR-10D XXXK-BTS |
CNR-10D XXXK-BTK |
1500/1000 |
3000/2000 |
15000/10000 |
|
Обозначение для заказа (катушки)
Стандартное
обозначение варисторов |
Катушка (прямые выводы) |
Катушка (формованные выводы) |
Мин.количество |
Количество в бумажной коробке |
Количество в картонной коробке |
| CNR05D XXXK |
CNR05D XXXK-TRS |
CNR05D XXXK-TRK |
2000/1500 |
4000/3000 |
20000/15000 |
| CNR07D XXXK |
CNR07D XXXK-TRS |
CNR07D XXXK-TRK |
2000/1500 |
4000/3000 |
20000/15000 |
| CNR10D XXXK |
CNR10D XXXK-TRS |
CNR10D XXXK-TRK |
1500/1000 |
3000/2000 |
15000/10000 |
| CNR14D XXXK |
CNR14D XXXK-TRS |
CNR14D XXXK-TRK |
1000/800 |
2000/1600 |
8000/6400 |
|
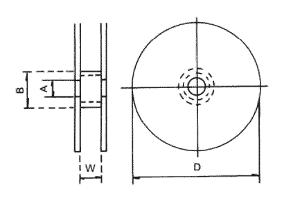
Формованные выводы
| |
05D |
07D |
05D |
07D |
| A макс. |
Напряжение варистора V 1мА (V) |
18 - 270 |
13.0 |
15.0 |
19.5 |
22.5 |
| 360 - 470 |
13.0 |
15.0 |
20.5 |
23.5 |
| D макс. |
7.5 |
9.0 |
14.0 |
17.5 |
| K |
1.2 ± 0.4 |
1.4 ± 0.4 |
1.2 ± 0.4 |
1.4 ± 0.4 |
| W |
5.0 ± 1.0 |
5.0 ± 1.0 |
7.5 ± 1.0 |
7.5 ± 1.0 |
| Ød |
0.6 |
0.6 |
0.8 |
0.8 |
|
|
Обозначение для заказа
| Стандартное обозначение варисторов |
Варисторы с прямыми обрезанными выводами |
Варисторы с формованными обрезанными выводами |
Макс.количество |
Количество в упаковке |
Количество в картонной коробке |
| CNR-05D XXXK |
CNR-05D XXXK-TTS |
CNR-05D XXXK-TTK |
1000 |
25000 |
50000 |
| CNR-07D XXXK |
CNR-07D XXXK-TTS |
CNR-07D XXXK-TTK |
1000 |
20000 |
40000 |
| CNR-10D XXXK |
CNR-10D XXXK-TTS |
CNR-10D XXXK-TTK |
1000 |
20000 |
40000 |
| CNR-14D XXXK |
CNR-14D XXXK-TTS |
CNR-14D XXXK-TTK |
1000 |
10000 |
20000 |
|
|
Эксплуатационные характеристики варисторов CNR
|
|
Электрические
| Характеристики |
Метод испытаний/Описание |
Технические требования |
| Стандартные условия испытания |
Условия окружающей среды, при которых результат любого измерения не вызывает сомнений. Измерения проводятся при температуре от 5 до 35°C и относительной влажности 85%RH |
- |
| Напряжение варистора |
Vc (или VcmA) - это напряжение между двуми выводами варистора при определенном значении тока СmA. Во избежание перегрева время измерения необходимо сократить до минимума. |
Соответствует заданным значениям |
| Максимальное рабочее напряжение |
Максимальное синусоидальное переменное (RMS) и постоянное (DC) напряжение , которое можно применить к варистору в заданном температурном диапазоне. |
| Максимальное напряжение ограничения |
Максимальное напряжение между выводами варистора при заданном импульсе тока 8/20μs приведено на рисунке ниже
 |
| Мощность рассеяния |
Средняя мощность рассеяния при заданной температуре окружающей среды |
| Максимальная энергия поглощения |
Максимальная энергия поглощения при единичном импульсе тока 2ms или 10/1000μs и изменении напряжения варистора на +10%. |
| Максимальный пиковый ток |
2 кратный |
Максимальный ток при изменении напряжения варистора на +10% при стандартном импульсе тока 8/20μs приложенный дважды с интервалом 5 мин. |
| 1 кратный |
Максимальный ток при изменении напряжения варистора на +10% при стандартном импульсе тока 8/20μs приложенный один раз. |
| Температурный коэффициент |
 |
-0.05%/°C макс. |
| Емкость |
Емкость измеряется при частоте 1кГц |
Соответствует заданным значениям |
| Коэффициент рассеяния |
Коэффициент рассеяния измеряется при частоте 1кГц |
| Пробивное напряжение |
Корпус элемента плотно заворачивается в металлическую фольгу, а к выводам, соединенным вместе, прикладывается заданное напряжение втечение 1 мин. Образец обследуется на наличие электрического пробоя. |
Нет пробоя |
| Номинальное варисторное напряжение |
Тестовое напряжение |
| V 0,1mA, V 1mA≤330V |
1000 Vrms |
| V 0,1mA, V 1mA>330V |
1500 Vrms |
| Длительность импульса (I) |
Образцы подвергаются воздействию 10 000 импульсов с интервалом 10 сек при комнатной температуре и затем замеряется изменение Vc. Длительность каждого импульса указана в таблице. |
ΔVcmA/VcmA≤±5% |
| Серия 5D |
CNR05D 180K - CNR05D 680K |
0.5A (2ms) |
| CNR05D 820K - CNR05D 471K |
20A (8/20μs) |
| Серия 7D |
CNR07D 180K - CNR07D 680K |
18A (8/20μs) |
| CNR05D 820K - CNR07D 471K |
50A (8/20μs) |
| Серия 10D |
CNR10D 180K - CNR10D 680K |
50A (8/20μs) |
| CNR10D 820K - CNR07D 112K |
100A (8/20μs) |
| Серия 14D |
CNR14D 180K - CNR14D 680K |
75A (8/20μs) |
| CNR14D 820K - CNR07D 182K |
150A (8/20μs) |
| Серия 20D |
CNR20D 180K - CNR20D 680K |
120A (8/20μs) |
| CNR20D 820K - CNR20D 182K |
200A (8/20μs) |
| Длительность импульса (II) |
Образцы подвергаются воздействию 10 000 импульсов с интервалом 10 сек при комнатной температуре и затем замеряется изменение Vc. Длительность каждого импульса указана в таблице. |
ΔVcmA/VcmA≤±10% |
| Серия 5D |
CNR05D 180K - CNR05D 680K |
0.45A (2ms) |
| CNR05D 820K - CNR05D 471K |
14A (8/20ms) |
| Серия 7D |
CNR07D 180K - CNR07D 680K |
12A (8/20ms) |
| CNR05D 820K - CNR07D 471K |
35A (8/20μs) |
| Серия 10D |
CNR10D 180K - CNR10D 680K |
35A (8/20μs) |
| CNR10D 820K - CNR07D 112K |
70A (8/20μs) |
| Серия 14D |
CNR14D 180K - CNR14D 680K |
45A (8/20μs) |
| CNR14D 820K - CNR07D 182K |
90A (8/20μs) |
| Серия 20D |
CNR20D 180K - CNR20D 680K |
55A (8/20μs) |
| CNR20D 820K - CNR20D 182K |
100A (8/20μs) |
|
Механические
| Характеристики |
Метод испытаний |
Технические требования |
| Устойчивость выводов к разрыву |
Закрепленные образцы постепенно подвергаются воздействию заданной силы втечение 10 секунд. Затем образцы обследуются на наличие повреждений. |
Нет заметных повреждений |
| Диаметр вывода |
Усилие |
| Ø0.6мм |
9.8N (1.0 кгс) |
| Ø0.8мм |
9.8N (1.0 кгс) |
| Ø1.0мм |
19.6N (2.0 кгс) |
| Устойчивость выводов к растяжению |
Выводы фиксируются вертикально и образец подвергается воздействию заданной силы в направлении оси. Затем выводы сгибают на 90° сначала в одном направлении, затем в противоположном. После испытаний образцы обследуются на наличие повреждений. |
| Диаметр вывода |
Усилие |
| Ø0.6мм |
4.9N (0.5 кгс) |
| Ø0.8мм |
4.9N (0.5 кгс) |
| Ø1.0мм |
9.8N (1.0 кгс) |
| Вибрация |
Образцы подвергаются воздействию однократной гармонической вибрации (амплитуда: 0.75мм) удвоенной амплитуды: 1.5мм вибрация длительностью 1мин в каждом из трех направлений втечение 2 часов. Затем образцы обследуются на наличие повреждений. |
Нет заметных повреждений |
| Пригодность к пайке |
Выводы образцов помещают в паяльную ванну на глубину 3мм при температуре 235 + 5°С на 2 + 0.5сек, после чего они визуально обследуются." |
Примерно 95% поверхности выводов должны быть покрыты припоем |
| Сопротивление теплоте пайки |
Выводы образцов помещаются в паяльную ванну при температуре 260 + 5°С на глубину от 2.0 до 2.5мм до корпуса и выдерживаются втечение заданного времени (3 серии: 3 + 1сек, 5 серий: 5 + 1сек и 10 серий:10 сек). Затем образцы помещаются на хранение при комнатной температуре и влажности на 1- 2 часа, после чего фиксируются изменение Vc и механические повреждения. |
VcmA/VcmA ±% Нет заметных повреждений |
|
Воздействие окружающей среды
| Характеристики |
Метод испытаний/Описание |
Технические требования |
| Хранение при высокой температуре/сухое тепло |
Образцы подвергаются температуре 125 ± 2 °С в термостатической ванне втечение 1000 часов без нагрузкии затем хранятся в помещении при комнатной температуре и влажности втечение 1-2 чаов. После этого замеряется изменение напряжения Vc. |
VcmA/VcmA ±5% |
| Влажное тепло/влажность(устройчивое состояние) |
Образцы подвергаются температуре 40 ± 2 °С ивлажности 95%RH втечение 1000 часов без нагрузки и затем хранятся в помещении при комнатной температуре и влажности втечение 1-2 часов. После этого замеряется изменение напряжения Vc. |
| Температурный цикл |
Температурный цикл, указанный ниже, повторяется 5 раз, и затем образцы хранятся в помещении при комнатной температуре и влажности втечение 1-2 чаcов. После этого проверяются изменение напряжения Vc и механическое повреждение. |
| Шаг |
Температура (°С) |
Период (мин) |
| 1 |
-40 ± 3 |
30 ± 3 |
| 2 |
комнатная температура |
15 ± 3 |
| 3 |
+125 ± 2 |
30 ± 3 |
| 4 |
комнатная температура |
15 ± 3 |
| Нагрузка при высокой температуре или сухом тепле |
После длительного воздействия максимально допустимого напряжения втечение 1000 часов образцы хранятся в помещении при комнатной температуре и влажности втечение 1-2 часов. После этого проверяется изменение напряжения Vc. |
VcmA/VcmA ±10% |
| Нагрузка при влажном тепле/влажности |
Образцы подвергаются температуре 40 ± 2 °С ,влажности 95%RH при длительном воздействии максимально допустимого напряжения втечение 1000 часов и затем хранятся в помещении при комнатной температуре и влажности втечение 1-2 часов. После этого замеряется изменение напряжения Vc. |
VcmA/VcmA ±10% |
| Хранение при низкой температуре/холоде |
Образцы подвергаются температуре -40 ± 2 °С втечение 1000 часов без нагрузки и затем хранятся в помещении при комнатной температуре и влажности втечение 1-2 часов. После этого замеряется изменение напряжения Vc. |
VcmA/VcmA ±5% |
|
|
Кривые ухудшения параметров
|
|
Электрические
| 5 СЕРИЯ (CNR05D180K - CNR05D680K) |
5 СЕРИЯ (CNR05D820K - CNR05D471K) |
 
Длительность импульса (μs) |
 
Длительность импульса (μs) |
| 7 СЕРИЯ (CNR07D180K - CNR07D680K) |
7 СЕРИЯ (CNR07D820K - CNR07D471K) |
 
Длительность импульса (μs) |
 
Длительность импульса (μs) |
| 10 СЕРИЯ (CNR10D180K - CNR10D680K) |
10 СЕРИЯ (CNR10D820K - CNR10D471K) |
 
Длительность импульса (μs) |
 
Длительность импульса (μs) |
| 10 СЕРИЯ (CNR10D511K - CNR10D112K) |
10 СЕРИЯ (CNR10D180K - CNR10D680K) |
 
Длительность импульса (μs) |
 
Длительность импульса (μs) |
| 14 СЕРИЯ (CNR14D820K - CNR14D471K) |
14 СЕРИЯ (CNR014D511K - CNR14D182K) |
 
Длительность импульса (μs) |
 
Длительность импульса (μs) |
| 20 СЕРИЯ (CNR020D180K - CNR20D680K) |
20 СЕРИЯ (CNR20D820K - CNR20D471K) |
 
Длительность импульса (μs) |
 
Длительность импульса (μs) |
| 20 СЕРИЯ (CNR20D511K - CNR20D182K) |
 
Длительность импульса (μs) |
|
|
Вольт-амперные характеристики варисторов
|
|
| ВОЛЬТ-АМПЕРНАЯ ХАРАКТЕРИСТИКА (CNR05D180K - CNR05D680K) |
 
Ток (A) |
|
| ВОЛЬТ-АМПЕРНАЯ ХАРАКТЕРИСТИКА (CNR05D820K - CNR05D471K) |
 
Ток (A) |
|
| ВОЛЬТ-АМПЕРНАЯ ХАРАКТЕРИСТИКА (CNR07D180K - CNR07D680K) |
 
Ток (A) |
|
| ВОЛЬТ-АМПЕРНАЯ ХАРАКТЕРИСТИКА (CNR07D820K - CNR07D471K) |
 
Ток (A) |
|
| ВОЛЬТ-АМПЕРНАЯ ХАРАКТЕРИСТИКА (CNR10D180K - CNR10D680K) |
 
Ток (A) |
|
| ВОЛЬТ-АМПЕРНАЯ ХАРАКТЕРИСТИКА (CNR10D820K - CNR10D471K) |
 
Ток (A) |
|
| ВОЛЬТ-АМПЕРНАЯ ХАРАКТЕРИСТИКА (CNR10D621K - CNR10D112K) |
 
Ток (A) |
|
| ВОЛЬТ-АМПЕРНАЯ ХАРАКТЕРИСТИКА (CNR14D180K - CNR14D680K) |
 
Ток (A) |
|
| ВОЛЬТ-АМПЕРНАЯ ХАРАКТЕРИСТИКА (CNR14D820K - CNR14D471K) |
 
Ток (A) |
|
| ВОЛЬТ-АМПЕРНАЯ ХАРАКТЕРИСТИКА (CNR14D621K - CNR14D182K) |
 
Ток (A) |
|
| ВОЛЬТ-АМПЕРНАЯ ХАРАКТЕРИСТИКА (CNR20D180K - CNR20D680K) |
 
Ток (A) |
|
| ВОЛЬТ-АМПЕРНАЯ ХАРАКТЕРИСТИКА (CNR20D820K - CNR20D471K) |
 
Ток (A) |
|
| ВОЛЬТ-АМПЕРНАЯ ХАРАКТЕРИСТИКА (CNR20D621K - CNR20D182K) |
 
Ток (A) |
|
|
Применение варисторов
|
|
Защита линии, параллельное подключение между фазами
|
DC; AC однофазная линия

AC трехфазная линия

|
Выбор номинала и напряжения варистора
| Обозначение |
Напряжение сети |
Наименование варистора |
| CNR1 |
DC 12V |
CNR-XXD220K |
| DC 24V |
CNR-XXD390K |
| AC 100V |
CNR-XXD201K, CNR-XXD221K |
| CNR-XXD241K *, CNR-XXD271K* |
| AC 120V |
CNR-XXD241K *, CNRXXD271K* |
| AC 127V |
CNR-XXD271K |
| AC 200V |
CNR-XXD391K, CNR-XXD431K |
| CNR-XXD471K |
| AC 240V |
CNR-XXD431K, CNR-XXD471K* |
| CNR3 |
AC 240V |
CNR-XXD431K, CNR-XXD471K* |
| CNR-XXD511K |
| AC 265V |
CNR-XXD511K |
| AC 380V |
CNR-XXD821K |
| AC 415V |
CNR-XXD911K |
| AC 460V |
CNR-XXD112K |
| AC 480V |
CNR-XXD112K |
|
Замечания:
1. Максимальное рабочее напряжение защищаемого устройства должно быть ниже максимального рабочего напряжения варистора в любое время.
2. Варисторы с пометкой * рекомендуются для однофазной трехпроводной линии для предотвращения временного перенапряжения, вызванного несимметричной нагрузкой.
|
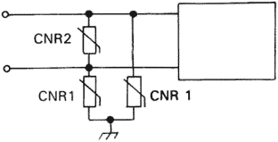
Защита линии, параллельное подключение между фазами и между фазой и землей
|
DC; AC однофазная линия

AC трехфазная линия

|
Выбор номинала и напряжения варистора
| Обозначение |
Напряжение сети |
Наименование варистора |
| CNR2 |
от AC 100V до AC 200V AC 240V |
CNR-XXD431K, CNR-XXD471K CNR-XXD431K, CNR-XXD471K или CNR-XXD751K* или CNR-XXD182K* |
| CNR4 |
AC 240V |
CNR-XXD431K CNR-XXD471K или CNR-XXD751K* или CNR-XXD182K* |
|
Замечания:
1. При проведении испытаний сопротивления изоляции при 500V в схемах, использующих варисторы, необходимо удалить варисторы, либо использовать варисторы с максимальным рабочим напряжением, превышающим тестовое напряжение.
2. При проверке электрической прочности при 1000V в схемах, использующих варисторы, необходимо удалить варисторы, либо использовать варисторы с максимальным рабочим напряжением, превышающим тестовое напряжение.
|
Защита сигнальной и телефонной линий
|
Сигнальная линия
 |
Выбор варистора для сигнальной линии
| Напряжение линии |
Наименование варистора |
| DC 48V |
CNR-XXD820K |
| DC 100V |
CNR-XXD201K |
|
Телефонная линия линия
 |
Выбор номинала и напряжения варистора
| Обозначение |
Наименование варистора |
| CNR1 |
CNR-XXD331K, CNR-XXD361K |
| CNR2 |
CNR-XXD151K |
|
Примечание:
При использовании варисторов в высокочастотных схемах следует принимать во внимание, что варисторы CNR имеют относительно высокую емкость.
|
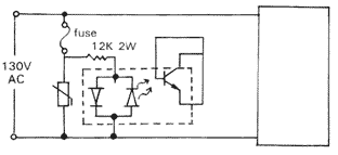
Другие применения
|
| Коммутационное перенапряжение |
Защита полупроводников |
Искрогашение контактов |
 |
 |
 |
|
Пример выбора варистора
| Напряжение |
Наименование варистора |
| DC 12V |
CNR-XXD220K |
| DC 24V |
CNR-XXD390K |
| DC 100V |
CNR-XXD151K |
| AC 120V |
CNR-XXD221K |
| CNR-XXD241K |
| CNR-XXD271K |
|
Примечание:
Для обеспечения необходимого уровня защиты максимально допустимое рабочее напряжение варистора должно быть выше рабочего напряжения защищаемого оборудования. |
Предостережения:
1. Следуйте рекомендациям по защите схем, описанным выше (защита шины питания).
2. Связь между током перегрузки и диапазоном номиналов CNR описана в характеристиках длительности импульса CNR.
3. В схемах,где варисторы применяются для искрогашения контактов, рекомендуется параллельно использовать конденсаторы.
|
|
Примеры применения варисторов
|
|
| Защищаемая схема |
Местоположение |
Наименование варистора |
| Бытовые устройства |
Внутри помещения |
CNR-05DXXXK |
| CNR-07DXXXK |
| CNR-10DXXXK |
| На открытом воздухе |
CNR-10DXXXK |
| CNR-14DXXXK |
| CNR-20DXXXK |
| Промышленные устройства |
Внутри помещения, на открытом воздухе |
CNR-14DXXXK |
| CNR-20DXXXK |
|
| Защищаемая схема |
Местоположение |
Наименование варистора |
| Средства связи, измерительное оборудование, средства управления |
Внутри помещения |
CNR-07DXXXK |
| CNR-10DXXXK |
| CNR-14DXXXK |
| На открытом воздухе |
CNR-10DXXXK |
| CNR-14DXXXK |
| CNR-20DXXXK |
|
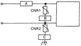
Предостережения:
1. Излишнее превышение максимального разрядного тока может вызвать короткое замыкание или механическое повреждение. Рекомендуется провести следующие мероприятия:
|
1) Устройство защиты (прерыватель или предохранитель) необходимо размещать в шине питания (положение А) или последовательно с варистором (положение В).
|
 |
 |
2) Рекомендуется использовать номинал предохранителя (положение А или В) согласно таблице.
|
| Обозначение |
CNR-05XXXK |
CNR-07XXXK |
CNR-10XXXK |
CNR-14XXXK |
CNR-20XXXK |
| Номинал предохранителя |
от 1 до 2 А |
от 2 до 3 А |
от 3 до 5 А |
от 3 до 10 А |
от 5 до 15 А |
|
3) В случае подключения варистора между фазой и землей рекомендуется использовать прерыватель замыкания на землю в положении А или термопару в положении С. |
4) Не рекомендуется устанавливать варистор рядом с элементами из воспламеняемых материалов.
|
2. При использовании компаунда в схемах с варисторами необходимо тщательно подбирать материал компаунда для сохранения стабильности работы варистора.
|
3. Не рекомендуется устанавливать варисторы рядом с приборами , излучающими тепло и под прямыми лучами солнца.
|
4. Варисторы необходимо предохранять от пыли, металлического порошка и влаги. При хранении рекомендуется избегать воздействия этих факторов.
|
|
|