|
| тиристорные модули MITSUBISHI ELECTRIC datasheet pdf Технические характеристики |
| |
| TypeNo. |
DataSheet
 |
Availability Status |
V_DRM(V) |
Repetitive peak reverse voltage V_RRM(V) |
I_T(AV)(A) |
I_TSM(A) |
Isolation Voltage(V) |
Junction temperature T_j(Cel) |
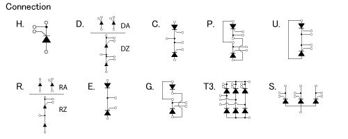
Connection |
Remarks |
| TM100SZ-M |
- |
DISC |
400.0(min) |
400.0(min) |
100.0(min) |
2000.0(max) |
2500.0(min) |
150.0(max) |
S |
- |
| TM10T3B-H |
4/01/2004
261KB |
NRND |
800.0(min) |
800.0(min) |
10.0(min) |
200.0(max) |
2500.0(min) |
125.0(max) |
T3 |
- |
| TM10T3B-M |
- |
DISC |
400.0(min) |
400.0(min) |
10.0(min) |
200.0(max) |
2500.0(min) |
125.0(max) |
T3 |
- |
| TM130CZ-24 |
4/01/2004
263KB |
NRND |
1200.0(min) |
1200.0(min) |
130.0(min) |
2600.0(max) |
2500.0(min) |
125.0(max) |
C |
- |
| TM130CZ-2H |
4/01/2004
263KB |
NRND |
1600.0(min) |
1600.0(min) |
130.0(min) |
2600.0(max) |
2500.0(min) |
125.0(max) |
C |
- |
| TM130CZ-H |
4/01/2004
276KB |
NRND |
800.0(min) |
800.0(min) |
130.0(min) |
2600.0(max) |
2500.0(min) |
125.0(max) |
C |
- |
| TM130CZ-M |
4/01/2004
276KB |
NRND |
400.0(min) |
400.0(min) |
130.0(min) |
2600.0(max) |
2500.0(min) |
125.0(max) |
C |
- |
| TM130DZ-24 |
4/01/2004
263KB |
NRND |
1200.0(min) |
1200.0(min) |
130.0(min) |
2600.0(max) |
2500.0(min) |
125.0(max) |
D |
- |
| TM130DZ-2H |
4/01/2004
263KB |
NRND |
1600.0(min) |
1600.0(min) |
130.0(min) |
2600.0(max) |
2500.0(min) |
125.0(max) |
D |
- |
| TM130DZ-H |
4/01/2004
276KB |
NRND |
800.0(min) |
800.0(min) |
130.0(min) |
2600.0(max) |
2500.0(min) |
125.0(max) |
D |
- |
| TM130DZ-M |
4/01/2004
276KB |
NRND |
400.0(min) |
400.0(min) |
130.0(min) |
2600.0(max) |
2500.0(min) |
125.0(max) |
D |
- |
| TM130EZ-24 |
4/01/2004
268KB |
NRND |
1200.0(min) |
1200.0(min) |
130.0(min) |
2600.0(max) |
2500.0(min) |
125.0(max) |
E |
- |
| TM130EZ-2H |
4/01/2004
268KB |
NRND |
1600.0(min) |
1600.0(min) |
130.0(min) |
2600.0(max) |
2500.0(min) |
125.0(max) |
E |
- |
| TM130EZ-H |
4/01/2004
281KB |
NRND |
800.0(min) |
800.0(min) |
130.0(min) |
2600.0(max) |
2500.0(min) |
125.0(max) |
E |
- |
| TM130EZ-M |
4/01/2004
281KB |
NRND |
400.0(min) |
400.0(min) |
130.0(min) |
2600.0(max) |
2500.0(min) |
125.0(max) |
E |
- |
| TM130GZ-24 |
4/01/2004
268KB |
NRND |
1200.0(min) |
1200.0(min) |
130.0(min) |
2600.0(max) |
2500.0(min) |
125.0(max) |
G |
- |
| TM130GZ-2H |
4/01/2004
268KB |
NRND |
1600.0(min) |
1600.0(min) |
130.0(min) |
2600.0(max) |
2500.0(min) |
125.0(max) |
G |
- |
| TM130GZ-H |
4/01/2004
281KB |
NRND |
800.0(min) |
800.0(min) |
130.0(min) |
2600.0(max) |
2500.0(min) |
125.0(max) |
G |
- |
| TM130GZ-M |
4/01/2004
281KB |
NRND |
400.0(min) |
400.0(min) |
130.0(min) |
2600.0(max) |
2500.0(min) |
125.0(max) |
G |
- |
| TM130PZ-24 |
4/01/2004
263KB |
NRND |
1200.0(min) |
1200.0(min) |
130.0(min) |
2600.0(max) |
2500.0(min) |
125.0(max) |
P |
- |
| TM130PZ-2H |
4/01/2004
263KB |
NRND |
1600.0(min) |
1600.0(min) |
130.0(min) |
2600.0(max) |
2500.0(min) |
125.0(max) |
P |
- |
| TM130PZ-H |
4/01/2004
276KB |
NRND |
800.0(min) |
800.0(min) |
130.0(min) |
2600.0(max) |
2500.0(min) |
125.0(max) |
P |
- |
| TM130PZ-M |
4/01/2004
276KB |
NRND |
400.0(min) |
400.0(min) |
130.0(min) |
2600.0(max) |
2500.0(min) |
125.0(max) |
P |
- |
| TM130RZ-24 |
4/01/2004
268KB |
NRND |
1200.0(min) |
1200.0(min) |
130.0(min) |
2600.0(max) |
2500.0(min) |
125.0(max) |
R |
- |
| TM130RZ-2H |
4/01/2004
268KB |
NRND |
1600.0(min) |
1600.0(min) |
130.0(min) |
2600.0(max) |
2500.0(min) |
125.0(max) |
R |
- |
| TM130RZ-H |
4/01/2004
281KB |
NRND |
800.0(min) |
800.0(min) |
130.0(min) |
2600.0(max) |
2500.0(min) |
125.0(max) |
R |
- |
| TM130RZ-M |
4/01/2004
281KB |
NRND |
400.0(min) |
400.0(min) |
130.0(min) |
2600.0(max) |
2500.0(min) |
125.0(max) |
R |
- |
| TM150SA-6 |
- |
DISC |
300.0(min) |
300.0(min) |
150.0(min) |
3000.0(max) |
2500.0(min) |
150.0(max) |
S |
- |
| TM15T3A-H |
- |
NRND |
800.0(min) |
800.0(min) |
15.0(min) |
300.0(max) |
2500.0(min) |
125.0(max) |
T3 |
- |
| TM15T3A-M |
- |
NRND |
400.0(min) |
400.0(min) |
15.0(min) |
300.0(max) |
2500.0(min) |
125.0(max) |
T3 |
- |
| TM200CZ-24 |
4/01/2004
265KB |
NRND |
1200.0(min) |
1200.0(min) |
200.0(min) |
4000.0(max) |
2500.0(min) |
125.0(max) |
C |
- |
| TM200CZ-2H |
4/01/2004
265KB |
NRND |
1600.0(min) |
1600.0(min) |
200.0(min) |
4000.0(max) |
2500.0(min) |
125.0(max) |
C |
- |
| TM200CZ-H |
4/01/2004
315KB |
NRND |
800.0(min) |
800.0(min) |
200.0(min) |
4000.0(max) |
2500.0(min) |
125.0(max) |
C |
- |
| TM200CZ-M |
4/01/2004
265KB |
NRND |
400.0(min) |
400.0(min) |
200.0(min) |
4000.0(max) |
2500.0(min) |
125.0(max) |
C |
- |
| TM200DZ-24 |
4/01/2004
265KB |
NRND |
1200.0(min) |
1200.0(min) |
200.0(min) |
4000.0(max) |
2500.0(min) |
125.0(max) |
D |
- |
| TM200DZ-2H |
4/01/2004
265KB |
NRND |
1600.0(min) |
1600.0(min) |
200.0(min) |
4000.0(max) |
2500.0(min) |
125.0(max) |
D |
- |
| TM200DZ-H |
4/01/2004
265KB |
NRND |
800.0(min) |
800.0(min) |
200.0(min) |
4000.0(max) |
2500.0(min) |
125.0(max) |
D |
- |
| TM200DZ-M |
4/01/2004
265KB |
NRND |
400.0(min) |
400.0(min) |
200.0(min) |
4000.0(max) |
2500.0(min) |
125.0(max) |
D |
- |
| TM200EZ-24 |
4/01/2004
269KB |
NRND |
1200.0(min) |
1200.0(min) |
200.0(min) |
4000.0(max) |
2500.0(min) |
125.0(max) |
E |
- |
| TM200EZ-2H |
4/01/2004
269KB |
NRND |
1600.0(min) |
1600.0(min) |
200.0(min) |
4000.0(max) |
2500.0(min) |
125.0(max) |
E |
- |
| TM200EZ-H |
4/01/2004
269KB |
NRND |
800.0(min) |
800.0(min) |
200.0(min) |
4000.0(max) |
2500.0(min) |
125.0(max) |
E |
- |
| TM200EZ-M |
4/01/2004
269KB |
NRND |
400.0(min) |
400.0(min) |
200.0(min) |
4000.0(max) |
2500.0(min) |
125.0(max) |
E |
- |
| TM200GZ-24 |
4/01/2004
269KB |
NRND |
1200.0(min) |
1200.0(min) |
200.0(min) |
4000.0(max) |
2500.0(min) |
125.0(max) |
G |
- |
| TM200GZ-2H |
4/01/2004
269KB |
NRND |
1600.0(min) |
1600.0(min) |
200.0(min) |
4000.0(max) |
2500.0(min) |
125.0(max) |
G |
- |
| TM200GZ-H |
4/01/2004
269KB |
NRND |
800.0(min) |
800.0(min) |
200.0(min) |
4000.0(max) |
2500.0(min) |
125.0(max) |
G |
- |
| TM200GZ-M |
4/01/2004
269KB |
NRND |
400.0(min) |
400.0(min) |
200.0(min) |
4000.0(max) |
2500.0(min) |
125.0(max) |
G |
- |
| TM200PZ-24 |
4/01/2004
265KB |
NRND |
1200.0(min) |
1200.0(min) |
200.0(min) |
4000.0(max) |
2500.0(min) |
125.0(max) |
P |
- |
| TM200PZ-2H |
4/01/2004
265KB |
NRND |
1600.0(min) |
1600.0(min) |
200.0(min) |
4000.0(max) |
2500.0(min) |
125.0(max) |
P |
- |
| TM200PZ-H |
4/01/2004
265KB |
NRND |
800.0(min) |
800.0(min) |
200.0(min) |
4000.0(max) |
2500.0(min) |
125.0(max) |
P |
- |
| TM200PZ-M |
4/01/2004
265KB |
NRND |
400.0(min) |
400.0(min) |
200.0(min) |
4000.0(max) |
2500.0(min) |
125.0(max) |
P |
- |
| TM200RZ-24 |
4/01/2004
269KB |
NRND |
1200.0(min) |
1200.0(min) |
200.0(min) |
4000.0(max) |
2500.0(min) |
125.0(max) |
R |
- |
| TM200RZ-2H |
4/01/2004
269KB |
NRND |
1600.0(min) |
1600.0(min) |
200.0(min) |
4000.0(max) |
2500.0(min) |
125.0(max) |
R |
- |
| TM200RZ-H |
4/01/2004
269KB |
NRND |
800.0(min) |
800.0(min) |
200.0(min) |
4000.0(max) |
2500.0(min) |
125.0(max) |
R |
- |
| TM200RZ-M |
4/01/2004
269KB |
NRND |
400.0(min) |
400.0(min) |
200.0(min) |
4000.0(max) |
2500.0(min) |
125.0(max) |
R |
- |
| TM20DA-H |
4/01/2004
271KB |
NRND |
800.0(min) |
800.0(min) |
20.0(min) |
400.0(max) |
2500.0(min) |
125.0(max) |
D |
- |
| TM20DA-M |
4/01/2004
271KB |
NRND |
400.0(min) |
400.0(min) |
20.0(min) |
400.0(max) |
2500.0(min) |
125.0(max) |
D |
- |
| TM20RA-H |
4/01/2004
281KB |
NRND |
800.0(min) |
800.0(min) |
20.0(min) |
400.0(max) |
2500.0(min) |
125.0(max) |
R |
- |
| TM20RA-M |
4/01/2004
281KB |
NRND |
400.0(min) |
400.0(min) |
20.0(min) |
400.0(max) |
2500.0(min) |
125.0(max) |
R |
- |
| TM25CZ-24 |
- |
DISC |
1200.0(min) |
1200.0(min) |
25.0(min) |
500.0(max) |
2500.0(min) |
125.0(max) |
C |
- |
| TM25CZ-2H |
4/01/2004
268KB |
NRND |
1600.0(min) |
1600.0(min) |
25.0(min) |
500.0(max) |
2500.0(min) |
125.0(max) |
C |
- |
| TM25CZ-H |
4/01/2004
278KB |
NRND |
800.0(min) |
800.0(min) |
25.0(min) |
500.0(max) |
2500.0(min) |
125.0(max) |
C |
- |
| TM25CZ-M |
4/01/2004
278KB |
NRND |
400.0(min) |
400.0(min) |
25.0(min) |
500.0(max) |
2500.0(min) |
125.0(max) |
C |
- |
| TM25DZ-24 |
4/01/2004
268KB |
NRND |
1200.0(min) |
1200.0(min) |
25.0(min) |
500.0(max) |
2500.0(min) |
125.0(max) |
D |
- |
| TM25DZ-2H |
4/01/2004
268KB |
NRND |
1600.0(min) |
1600.0(min) |
25.0(min) |
500.0(max) |
2500.0(min) |
125.0(max) |
D |
- |
| TM25DZ-H |
4/01/2004
278KB |
NRND |
800.0(min) |
800.0(min) |
25.0(min) |
500.0(max) |
2500.0(min) |
125.0(max) |
D |
- |
| TM25DZ-M |
4/01/2004
278KB |
NRND |
400.0(min) |
400.0(min) |
25.0(min) |
500.0(max) |
2500.0(min) |
125.0(max) |
D |
- |
| TM25EZ-24 |
- |
DISC |
1200.0(min) |
1200.0(min) |
25.0(min) |
500.0(max) |
2500.0(min) |
125.0(max) |
E |
- |
| TM25EZ-2H |
- |
DISC |
1600.0(min) |
1600.0(min) |
25.0(min) |
500.0(max) |
2500.0(min) |
125.0(max) |
E |
- |
| TM25EZ-H |
4/01/2004
277KB |
NRND |
800.0(min) |
800.0(min) |
25.0(min) |
500.0(max) |
2500.0(min) |
125.0(max) |
E |
- |
| TM25EZ-M |
4/01/2004
277KB |
NRND |
400.0(min) |
400.0(min) |
25.0(min) |
500.0(max) |
2500.0(min) |
125.0(max) |
E |
- |
| TM25RZ-24 |
4/01/2004
267KB |
NRND |
1200.0(min) |
1200.0(min) |
25.0(min) |
500.0(max) |
2500.0(min) |
125.0(max) |
R |
- |
| TM25RZ-2H |
4/01/2004
267KB |
NRND |
1600.0(min) |
1600.0(min) |
25.0(min) |
500.0(max) |
2500.0(min) |
125.0(max) |
R |
- |
| TM25RZ-H |
4/01/2004
277KB |
NRND |
800.0(min) |
800.0(min) |
25.0(min) |
500.0(max) |
2500.0(min) |
125.0(max) |
R |
- |
| TM25RZ-M |
4/01/2004
277KB |
NRND |
400.0(min) |
400.0(min) |
25.0(min) |
500.0(max) |
2500.0(min) |
125.0(max) |
R |
- |
| TM25T3A-H |
- |
NRND |
800.0(min) |
800.0(min) |
25.0(min) |
500.0(max) |
2500.0(min) |
125.0(max) |
T3 |
- |
| TM25T3A-M |
- |
DISC |
400.0(min) |
400.0(min) |
25.0(min) |
500.0(max) |
2500.0(min) |
125.0(max) |
T3 |
- |
| TM400DZ-24 |
4/01/2004
265KB |
NRND |
1200.0(min) |
1200.0(min) |
400.0(min) |
8000.0(max) |
2500.0(min) |
125.0(max) |
D |
- |
| TM400DZ-2H |
4/01/2004
265KB |
NRND |
1600.0(min) |
1600.0(min) |
400.0(min) |
8000.0(max) |
2500.0(min) |
125.0(max) |
D |
- |
| TM400DZ-H |
4/01/2004
265KB |
NRND |
800.0(min) |
800.0(min) |
400.0(min) |
8000.0(max) |
2500.0(min) |
125.0(max) |
D |
- |
| TM400DZ-M |
4/01/2004
265KB |
NRND |
400.0(min) |
400.0(min) |
400.0(min) |
8000.0(max) |
2500.0(min) |
125.0(max) |
D |
- |
| TM400HA-24 |
4/01/2004
258KB |
NRND |
1200.0(min) |
1200.0(min) |
400.0(min) |
8000.0(max) |
2500.0(min) |
125.0(max) |
H |
- |
| TM400HA-2H |
4/01/2004
258KB |
NRND |
1600.0(min) |
1600.0(min) |
400.0(min) |
8000.0(max) |
2500.0(min) |
125.0(max) |
H |
- |
| TM400HA-H |
4/01/2004
258KB |
NRND |
800.0(min) |
800.0(min) |
400.0(min) |
8000.0(max) |
2500.0(min) |
125.0(max) |
H |
- |
| TM400HA-M |
4/01/2004
258KB |
NRND |
400.0(min) |
400.0(min) |
400.0(min) |
8000.0(max) |
2500.0(min) |
125.0(max) |
H |
- |
| TM400PZ-24 |
4/01/2004
265KB |
NRND |
1200.0(min) |
1200.0(min) |
400.0(min) |
8000.0(max) |
2500.0(min) |
125.0(max) |
P |
- |
| TM400PZ-2H |
4/01/2004
265KB |
NRND |
1600.0(min) |
1600.0(min) |
400.0(min) |
8000.0(max) |
2500.0(min) |
125.0(max) |
P |
- |
| TM400PZ-H |
4/01/2004
265KB |
NRND |
800.0(min) |
800.0(min) |
400.0(min) |
8000.0(max) |
2500.0(min) |
125.0(max) |
P |
- |
| TM400PZ-M |
- |
DISC |
400.0(min) |
400.0(min) |
400.0(min) |
8000.0(max) |
2500.0(min) |
125.0(max) |
P |
- |
| TM55CZ-24 |
4/01/2004
274KB |
NRND |
1200.0(min) |
1200.0(min) |
55.0(min) |
1100.0(max) |
2500.0(min) |
125.0(max) |
C |
- |
| TM55CZ-2H |
4/01/2004
274KB |
NRND |
1600.0(min) |
1600.0(min) |
55.0(min) |
1100.0(max) |
2500.0(min) |
125.0(max) |
C |
- |
| TM55CZ-H |
4/01/2004
273KB |
NRND |
800.0(min) |
800.0(min) |
55.0(min) |
1100.0(max) |
2500.0(min) |
125.0(max) |
C |
- |
| TM55CZ-M |
4/01/2004
273KB |
NRND |
400.0(min) |
400.0(min) |
55.0(min) |
1100.0(max) |
2500.0(min) |
125.0(max) |
C |
- |
| TM55DZ-24 |
4/01/2004
274KB |
NRND |
1200.0(min) |
1200.0(min) |
55.0(min) |
1100.0(max) |
2500.0(min) |
125.0(max) |
D |
- |
| TM55DZ-2H |
4/01/2004
274KB |
NRND |
1600.0(min) |
1600.0(min) |
55.0(min) |
1100.0(max) |
2500.0(min) |
125.0(max) |
D |
- |
| TM55DZ-H |
4/01/2004
273KB |
NRND |
800.0(min) |
800.0(min) |
55.0(min) |
1100.0(max) |
2500.0(min) |
125.0(max) |
D |
- |
| TM55DZ-M |
4/01/2004
273KB |
NRND |
400.0(min) |
400.0(min) |
55.0(min) |
1100.0(max) |
2500.0(min) |
125.0(max) |
D |
- |
| TM55EZ-24 |
4/01/2004
279KB |
NRND |
1200.0(min) |
1200.0(min) |
55.0(min) |
1100.0(max) |
2500.0(min) |
125.0(max) |
E |
- |
| TM55EZ-2H |
4/01/2004
279KB |
NRND |
1600.0(min) |
1600.0(min) |
55.0(min) |
1100.0(max) |
2500.0(min) |
125.0(max) |
E |
- |
| TM55EZ-H |
4/01/2004
270KB |
NRND |
800.0(min) |
800.0(min) |
55.0(min) |
1100.0(max) |
2500.0(min) |
125.0(max) |
E |
- |
| TM55EZ-M |
4/01/2004
270KB |
NRND |
400.0(min) |
400.0(min) |
55.0(min) |
1100.0(max) |
2500.0(min) |
125.0(max) |
E |
- |
| TM55RZ-24 |
4/01/2004
279KB |
NRND |
1200.0(min) |
1200.0(min) |
55.0(min) |
1100.0(max) |
2500.0(min) |
125.0(max) |
R |
- |
| TM55RZ-2H |
4/01/2004
279KB |
NRND |
1600.0(min) |
1600.0(min) |
55.0(min) |
1100.0(max) |
2500.0(min) |
125.0(max) |
R |
- |
| TM55RZ-H |
4/01/2004
270KB |
NRND |
800.0(min) |
800.0(min) |
55.0(min) |
1100.0(max) |
2500.0(min) |
125.0(max) |
R |
- |
| TM55RZ-M |
4/01/2004
270KB |
NRND |
400.0(min) |
400.0(min) |
55.0(min) |
1100.0(max) |
2500.0(min) |
125.0(max) |
R |
- |
| TM60SA-6 |
- |
DISC |
300.0(min) |
300.0(min) |
60.0(min) |
1200.0(max) |
2500.0(min) |
150.0(max) |
S |
- |
| TM60SZ-M |
- |
DISC |
300.0(min) |
300.0(min) |
60.0(min) |
1200.0(max) |
2500.0(min) |
150.0(max) |
S |
- |
| TM90CZ-24 |
4/01/2004
273KB |
NRND |
1200.0(min) |
1200.0(min) |
90.0(min) |
1800.0(max) |
2500.0(min) |
125.0(max) |
C |
- |
| TM90CZ-2H |
4/01/2004
273KB |
NRND |
1600.0(min) |
1600.0(min) |
90.0(min) |
1800.0(max) |
2500.0(min) |
125.0(max) |
C |
- |
| TM90CZ-H |
4/01/2004
273KB |
NRND |
800.0(min) |
800.0(min) |
90.0(min) |
1800.0(max) |
2500.0(min) |
125.0(max) |
C |
- |
| TM90CZ-M |
4/01/2004
273KB |
NRND |
400.0(min) |
400.0(min) |
90.0(min) |
1800.0(max) |
2500.0(min) |
125.0(max) |
C |
- |
| TM90DZ-24 |
4/01/2004
273KB |
NRND |
1200.0(min) |
1200.0(min) |
90.0(min) |
1800.0(max) |
2500.0(min) |
125.0(max) |
D |
- |
| TM90DZ-2H |
4/01/2004
273KB |
NRND |
1600.0(min) |
1600.0(min) |
90.0(min) |
1800.0(max) |
2500.0(min) |
125.0(max) |
D |
- |
| TM90DZ-H |
4/01/2004
273KB |
NRND |
800.0(min) |
800.0(min) |
90.0(min) |
1800.0(max) |
2500.0(min) |
125.0(max) |
D |
- |
| TM90DZ-M |
4/01/2004
273KB |
NRND |
400.0(min) |
400.0(min) |
90.0(min) |
1800.0(max) |
2500.0(min) |
125.0(max) |
D |
- |
| TM90EZ-24 |
4/01/2004
278KB |
NRND |
1200.0(min) |
1200.0(min) |
90.0(min) |
1800.0(max) |
2500.0(min) |
125.0(max) |
E |
- |
| TM90EZ-2H |
4/01/2004
278KB |
NRND |
1600.0(min) |
1600.0(min) |
90.0(min) |
1800.0(max) |
2500.0(min) |
125.0(max) |
E |
- |
| TM90EZ-H |
4/01/2004
277KB |
NRND |
800.0(min) |
800.0(min) |
90.0(min) |
1800.0(max) |
2500.0(min) |
125.0(max) |
E |
- |
| TM90EZ-M |
4/01/2004
277KB |
NRND |
400.0(min) |
400.0(min) |
90.0(min) |
1800.0(max) |
2500.0(min) |
125.0(max) |
E |
- |
| TM90RZ-24 |
4/01/2004
278KB |
NRND |
1200.0(min) |
1200.0(min) |
90.0(min) |
1800.0(max) |
2500.0(min) |
125.0(max) |
R |
- |
| TM90RZ-2H |
4/01/2004
278KB |
NRND |
1600.0(min) |
1600.0(min) |
90.0(min) |
1800.0(max) |
2500.0(min) |
125.0(max) |
R |
- |
| TM90RZ-H |
4/01/2004
277KB |
NRND |
800.0(min) |
800.0(min) |
90.0(min) |
1800.0(max) |
2500.0(min) |
125.0(max) |
R |
- |
| TM90RZ-M |
4/01/2004
277KB |
NRND |
400.0(min) |
400.0(min) |
90.0(min) |
1800.0(max) |
2500.0(min) |
125.0(max) |
R |
- |
| TM90SA-6 |
- |
DISC |
300.0(min) |
300.0(min) |
90.0(min) |
1800.0(max) |
2500.0(min) |
150.0(max) |
S |
- |
|
: NEW products : under Development : Mass Production : Not Recommended for New Design : Phase-Out production : Discontinued products
|
|
|