|
   
Самовосстанавливающиеся предохранители MultiFuse
Bourns Epcos Littelfuse Raychem Rohm Tyco Wayon
Краткий обзор самовосстанавливающихся предохранителей
Разработчики электронных устройств наверняка знают, к каким фатальным для этих устройств последствиям может привести перегрузка по току. Существует несколько способов защиты от таких ситуаций. Самый распространенный из них — использование плавких предохранителей. Безусловно, они работают хорошо, но рассчитаны только на одно срабатывание. При выходе плавкого предохранителя из строя он требует замены. Это не всегда удобно, а во многих случаях требуется вмешательство квалифицированного специалиста. Преимущества самовосстанавливающихся предохранителей (далее — СП) фирмы Bourns заключаются в том, что они рассчитаны на многократное срабатывание, а их разрушение происходит при токе, во много раз превышающем ток срабатывания. Уже сегодня СП нашли себе широкое применение в различных областях, таких как персональные компьютеры, трансформаторы, электромоторы, звуковоспроизводящая техника, аккумуляторные батареи, медицинское и измерительное оборудование, автомобильная электроника и др.
Устройство
Самовосстанавливающиеся предохранители изготавливаются из проводящего пластика, отформованного в тонкий лист с напылением электродов с обеих плоскостей. Проводящий пластик — это особое вещество, ноу-хау фирмы Bourns, состоящее из непроводящего электрический ток кристаллического полимера и распределенных в нем мельчайших частиц технического углерода, проводящих электрический ток. Электроды гарантируют равномерное распределение энергии по всей площади поверхности, к ним крепятся проволочные или лепестковые выводы. Особенностью, которая позволяет использовать этот материал в качестве СП, является то, что этот проводящий пластик проявляет высокий нелинейный положительный температурный коэффициент сопротивления (ТКС). Положительным ТКС обладает довольно большое количество материалов. Особенность материала СП — это сильная крутизна графика зависимости сопротивления от температуры самого СП или окружающей среды и практически скачкообразное изменение сопротивления из проводящего в непроводящее (рис. 1). До определенной, так называемой «переходной» температуры, сопротивление СП практически не возрастает. При достижении «переходной» температуры сопротивление возрастает в логарифмической пропорции.
Технические характеристики
Максимальное рабочее напряжение (Vmax) — это максимально допустимое напряжение, которое может выдерживать СП без разрушения при номинальном токе.
Максимально допустимый ток (Imax) — это максимальный ток, который СП может выдержать без разрушения.
Номинальный рабочий ток (Ihold) — это максимальный ток, который СП может проводить без срабатывания, т.е. без размыкания цепи нагрузки.
Минимальный ток срабатывания (Itrip) — это минимальный ток через СП, приводящий к переходу из проводящего состояния в непроводящее, т.е. к срабатыванию.
Первоначальное сопотивление (Rmin–Rmax) — это сопротивление СП до первого срабатывания (при получении от изготовителя).
Так как СП — это устройства с ярко выраженным положительным ТКС, их характеристики зависят от температуры окружающей среды. В таблице 2 приводится зависимость нормального рабочего тока и минимального тока срабатывания от температуры окружающей среды.
Сравнительная таблица
аналоги самовосстанавливающихся предохранителей
| Wayon |
GoodPoly |
Fusetech |
Raychem |
Bourns |
Littelfuse |
| LP60-005F |
GP60-005 |
|
|
MF-R005 |
|
| LP60-010F |
GP60-010 |
FRX010 |
RXE010 |
MF-R010 |
60R010 |
| LP60-017F |
GP60-017 |
FRX017 |
RXE017 |
MF-R017 |
60R017 |
| LP60-020F |
GP60-020 |
FRX020 |
RXE020 |
MF-R020 |
60R020 |
| LP60-025F |
GP60-025 |
FRX025 |
RXE025 |
MF-R025 |
60R025 |
| LP60-030F |
GP60-030 |
FRX030 |
RXE030 |
MF-R030 |
60R030 |
| LP60-040F |
GP60-040 |
FRX040 |
RXE040 |
MF-R040 |
60R040 |
| LP60-050F |
GP60-050 |
FRX050 |
RXE050 |
MF-R050 |
60R050 |
| LP60-065F |
GP60-065 |
FRX065 |
RXE065 |
MF-R065 |
60R065 |
| LP60-075F |
GP60-075 |
FRX075 |
RXE075 |
MF-R075 |
60R075 |
| LP60-090F |
GP60-090 |
FRX090 |
RXE090 |
MF-R090 |
60R090 |
| LP60-110F |
GP60-110 |
FRX110 |
RXE110 |
MF-RX110 |
60R110 |
| LP60-135F |
GP60-135 |
FRX135 |
RXE135 |
MF-RX135 |
60R135 |
| LP60-160F |
GP60-160 |
FRX160 |
RXE160 |
MF-RX160 |
60R160 |
| LP60-185F |
GP60-185 |
FRX185 |
RXE185 |
MF-RX185 |
60R185 |
| LP60-250F |
GP60-250 |
FRX250 |
RXE250 |
MF-RX250 |
60R250 |
| LP60-300F |
GP60-300 |
FRX300 |
RXE300 |
MF-RX300 |
60R300 |
| LP60-375F |
GP60-375 |
FRX375 |
RXE375 |
MF-RX375 |
60R375 |
| LP30-090F |
GP30-090 |
FRU090 |
RUE090 |
MF-R090-09 |
30R090 |
| LP30-110F |
GP30-110 |
FRU110 |
RUE110 |
MF-R110 |
30R110 |
| LP30-135F |
GP30-135 |
FRU135 |
RUE135 |
MF-R135 |
30R135 |
| LP30-160F |
GP30-160 |
FRU160 |
RUE160 |
MF-R160 |
30R160 |
| LP30-185F |
GP30-185 |
FRU185 |
RUE185 |
MF-R185 |
30R185 |
| LP30-250F |
GP30-250 |
FRU250 |
RUE250 |
MF-R250(10) |
30R250 |
| LP30-300F |
GP30-300 |
FRU300 |
RUE300 |
MF-R300 |
30R300 |
| LP30-400F |
GP30-400 |
FRU400 |
RUE400 |
MF-R400 |
30R400 |
| LP30-500F |
GP30-500 |
FRU500 |
RUE500 |
MF-R500 |
30R500 |
| LP30-600F |
GP30-600 |
FRU600 |
RUE600 |
MF-R600 |
30R600 |
| LP30-700F |
GP30-700 |
FRU700 |
RUE700 |
MF-R700 |
30R700 |
| LP30-800F |
GP30-800 |
FRU800 |
RUE800 |
MF-R800 |
30R800 |
| LP30-900F |
GP30-900 |
FRU900 |
RUE900 |
MF-R900 |
30R900 |
|
|
FUSB075 |
RUSB075 |
|
|
|
|
FUSB090 |
RUSB090 |
|
|
|
|
FUSB110 |
RUSB110 |
|
|
|
|
FUSB120 |
RUSB120 |
|
|
|
|
FUSB135 |
RUSB135 |
|
|
|
|
FUSB155 |
RUSB155 |
|
|
|
|
FUSB160 |
RUSB160 |
|
|
| Wayon |
GoodPoly |
Fusetech |
Raychem |
Bourns |
Littelfuse |
|
|
FUSB185 |
RUSB185 |
|
|
|
|
FUSB250 |
RUSB250 |
|
|
| LP16-300F |
GP16-300 |
FRG300-16F |
RGEF300 |
MF-RG300 |
16R300G |
| LP16-400F |
GP16-400 |
FRG400-16F |
RGEF400 |
|
16R400G |
| LP16-500F |
GP16-500 |
FRG500-16F |
RGEF500 |
MF-RG500 |
16R500G |
| LP16-600F |
GP16-600 |
FRG600-16F |
RGEF600 |
|
16R600G |
| LP16-700F |
GP16-700 |
FRG700-16F |
RGEF700 |
MF-RG700 |
16R700G |
| LP16-800F |
GP16-800 |
FRG800-16F |
RGEF800 |
|
16R800G |
| LP16-900F |
GP16-900 |
FRG900-16F |
RGEF900 |
MF-RG900 |
16R900G |
| LP16-1000F |
GP16-1000 |
FRG1000-16F |
RGEF1000 |
|
16R1000G |
| LP16-1100F |
GP16-1100 |
FRG1100-16F |
RGEF1100 |
MF-RG1100 |
16R1100G |
| LP16-1200F |
GP16-1200 |
FRG1200-16F |
RGEF1200 |
|
16R1200G |
| LP16-1400F |
GP16-1400 |
FRG1400-16F |
RGEF1400 |
|
16R1400G |
|
|
FRH080-250U |
TR250-080U |
MF-R008-250U |
|
|
|
FRH080-250 |
TR25-080 |
MF-R008-250-B10 |
|
|
|
FRH110-250U |
TR250-110U |
MF-R011-250U |
|
|
|
FRH110-250 |
TR250 |
|
|
|
|
FRH120-250U |
TR250-120U |
MF-R012-250U |
|
|
|
FRH120-250 |
TR250-120 |
MF-R012-250 |
|
|
|
FRH145-250U |
TR250-145U |
MF-R014-250U |
|
|
|
FRH145-250 |
TR250-145 |
MF-R014-250 |
|
|
|
FRH180-250U |
TR250-180U |
MF-R018-250U |
|
|
|
FRH180-250 |
TR250 |
|
|
|
|
FRH150-600 |
TR600-150 |
|
|
|
|
FRH160-600 |
TR600-160 |
|
|
|
|
FSR120 |
SRP120 |
MF-S120 |
|
|
|
FSR120S |
SRP120S |
MF-S120S |
|
|
|
FSR175 |
SRP175 |
MF-S175 |
|
|
|
FSR175S |
SRP175S |
MF-S175S |
|
|
|
FSR200 |
SRP200 |
MF-S200 |
|
|
|
FSR350 |
SRP350 |
MF-S350 |
|
|
|
FSR420 |
SRP420 |
MF-S420 |
|
|
|
FLT070 |
LTP070 |
MF-LS070 |
|
|
|
FLT070S |
LTP070S |
MF-LS070S |
|
|
|
FLT100S |
LTP100S |
MF-LS100S |
|
|
|
FLT100 |
LTP100 |
|
|
|
|
FLT180 |
LTP180 |
MF-LS180 |
|
|
|
FLT180S |
LTP180S |
MF-LS180S |
|
|
|
FLT190 |
LTP190 |
MF-LS190 |
|
| Wayon |
GoodPoly |
Fusetech |
Raychem |
Bourns |
Littelfuse |
|
|
FLT190RU |
LTP190RU |
MF-LS190RU |
|
|
|
FLT260 |
LTP260 |
MF-LS260 |
|
|
|
FLT300 |
LTP300 |
MF-LS300 |
|
|
|
FLT310 |
LTP310 |
|
|
|
|
FLT340 |
LTP340 |
MF-LS340 |
|
|
|
FLR190 |
LR4190 |
MF-LR190 |
|
|
|
FLR190S |
LR4190S |
MF-LR190S |
|
|
|
FLR260 |
LR4260 |
MF-LR260 |
|
|
|
LR260S |
LR4260S |
MF-LR260S |
|
|
|
FLR380 |
LR4380 |
MF-LR380 |
|
|
|
FLR450 |
LR4450 |
MF-LR450 |
|
|
|
FLR550 |
LR4550 |
MF-LR550 |
|
|
|
FLR600 |
LR4600 |
MF-LR600 |
|
|
|
FLR730 |
LR4730 |
MF-LR730 |
|
| LP-MSM010 |
GP-WSM010 |
|
|
MF-MSMD010 |
|
| LP-MSM014 |
GP-WSM014 |
FSMD014 |
mSMDC140 |
MF-MSMD014 |
|
| LP-MSM020 |
GP-WSM020 |
FSMD020 |
mSMD20 |
MF-MSMD020 |
1812L020 |
| LP-MSM035 |
GP-WSM035 |
FSMD035 |
mSMDC035 |
MF-MSMD035 |
|
| LP-MSM050 |
GP-WSM050 |
FSMD050 |
mSMDC050 |
MF-MSMD050 |
1812L050 |
| LP-MSM075 |
GP-WSM075 |
FSMD075 |
mSMDC075 |
MF-MSMD075 |
1812L075 |
| LP-MSM110 |
GP-WSM110 |
FSMD110 |
mSMDC110 |
MF-MSMD110 |
1812L110 |
| LP-MSM125 |
GP-WSM125 |
|
|
MF-MSMD125 |
|
| LP-MSM150 |
GP-WSM150 |
|
|
MF-MSMD150 |
|
| LP-MSM160 |
GP-WSM160 |
FSMD160 |
mSMD160 |
MF-MSMD160 |
|
| LP-MSM200 |
GP-WSM200 |
|
|
MF-MSMD200 |
|
| LP-MSM260 |
GP-WSM260 |
|
|
MF-MSMD260 |
|
| LP-SM030 |
GP-SM030 |
|
|
MF-SM030 |
|
| LP-SM050 |
GP-SM050(30V) |
|
|
MF-SM050 |
|
| LP-SM075 |
GP-SM075 |
|
|
MF-SM075 |
|
|
|
|
|
MF-SM100 |
|
| LP-SM125 |
GP-SM125 |
|
|
MF-SM125 |
|
| LP-SM130 |
GP-SM150 |
|
|
MF-SM150 |
|
| LP-SM150 |
GP-SM200 |
|
|
MF-SM200 |
|
| LP-SM250 |
GP-SM250 |
|
|
MF-SM250 |
|
| LP-SM260 |
GP-SM260 |
|
|
MF-SM260 |
|
| LP-SM300 |
GP-SM300 |
|
|
MF-SM300 |
|
|
|
|
|
MF-RX012/250 |
|
|
|
|
|
MF-RX014/250 |
|
|
|
|
|
MF-RX018/250 |
|
| Wayon |
GoodPoly |
Fusetech |
Raychem |
Bourns |
Littelfuse |
| LP070 |
GP070 |
|
LTP070F |
|
15LT070 |
| LP100 |
GP100 |
FLT100F |
LTP100SLF |
MF-LS100S |
24LT100 |
| LP120 |
GP120 |
FSR120F |
SRP120F |
MF-S120 |
15ST120 |
| LP175 |
GP175 |
FSR175F |
SRP175F |
MF-S175 |
15ST175 |
| LP180 |
GP180 |
FLT180F |
LTP180F |
MF-LS180 |
24LT180 |
| LP190 |
GP190 |
FLT190F |
LTP190F |
MF-LS180 |
24LT190 |
| LP200 |
GP200 |
FSR200F |
SRP200F |
MF-S200 |
STD200 |
| LP260 |
GP260 |
FLT260F |
LTP260F |
MF-LS260 |
24LT260 |
| LP300 |
GP300 |
FLT300F |
LTP300F |
MF-LS300 |
24LT300 |
|
GP310 |
FLT310F |
|
|
24LT310 |
| LP340 |
GP340 |
FLT340F |
LTP340F |
MF-LS340 |
24LT340 |
| LP350 |
GP350 |
FSR350F |
SRP350F |
MF-S350 |
STD350 |
| LP420 |
GP420 |
FSR420F |
SRP420F |
MF-S420 |
STD420 |
|
GP-CW120 |
FSR120F |
SRP120F |
MF-S120 |
15ST120 |
| LP-CW170 |
GP-CW170 |
|
|
|
|
| LP-CW175 |
GP-CW175 |
FVT175F |
VTP175F |
|
16VT175 |
| LP-CW200 |
GP-CW200 |
FVT200F |
VTP200GF |
|
16VT200 |
| LP-CW210 |
GP-CW210 |
FVT210GF |
VTP210GF |
MF-VS210 |
16VT210 |
| LP-CW240 |
GP-CW240 |
FVT240F |
VTP240F |
|
16VT240 |
|
GP-CW250 |
|
|
|
|
| LBR200F |
GP90-020 |
|
|
|
|
| LBR250F |
GP90-025 |
|
|
|
|
| LBR350F |
GP90-035 |
|
|
|
|
| LBR550F |
GP90-055 |
|
|
|
|
| LBR750F |
GP90-075 |
|
|
|
|
| LBR900F |
GP90-090 |
|
|
|
|
| LB080F |
GP250-080F |
FRH080-250F |
TRF250-080 |
|
250R080 |
| LC080 |
GP250-080N |
|
|
|
|
|
GP250-100F |
|
|
|
|
| LC100 |
GP250-100N |
|
|
|
|
| LB110F |
GP250-110F |
FRH110-250F |
TRF250-110 |
|
|
| LC110 |
GP250-110N |
|
|
|
|
| LB120F |
GP250-120F |
FRH120-250F |
TRF250-120 |
MF-RX012/250 |
250R120 |
| LC120 |
GP250-120N |
|
|
|
|
|
GP250-130F |
|
|
|
|
| LB145F |
GP250-145F |
FRH145-250F |
TRF250-145 |
MF-RX014/250 |
250R145 |
| LB145UF |
GP250-145U |
FRH145-250UF |
TRF250-145U |
MF-RX014/250U |
250R145 |
|
GP250-160F |
|
|
|
|
| LB180F |
GP250-180F |
FRH180-250F |
|
MF-RX018/250 |
250R180 |
| LB180UF |
GP250-180U |
FRH180-250UF |
|
MF-RX018/250U |
250R180 |
| LBV150 |
GP600-150F |
FRH150-600F |
|
MF-R015/600 |
600R150 |
| LCV150 |
GP600-150N |
|
|
|
|
| LBV160 |
GP600-160F |
FRH160-600F |
|
MF-R016/600 |
600R160 |
| LP06-075F |
GP06-075 |
|
RUSBF075 |
|
06R075B |
| LP06-090F |
GP06-090 |
|
|
|
|
| LP06-110F |
GP06-110 |
|
|
|
|
| LP06-120F |
GP06-120 |
|
RUSBF120 |
|
06R120B |
| LP06-135F |
GP06-135 |
|
|
|
|
| LP06-160F |
GP06-160 |
|
|
|
|
| LP06-185F |
GP06-185 |
|
|
|
|
| LP06-250F |
GP06-250 |
|
|
|
|
|
Техдокументация «Самовосстанавливающиеся предохранители»
Telefuse B1250 datasheet, 303 КБ
Газовые разрядники EPCOS, 93 КБ
Самовосстанавливающиеся предохранители BOURNS, 174 КБ
Самовосстанавливающиеся предохранители BOURNS, 
Предохранители Bourns серии mfmsmf (Bourns Resettable Fuses), 307 КБ
Предохранители Bourns серии MFNSMF (Bourns Resettable Fuses), 295 КБ
Предохранители Bourns серии MFRX (Bourns Resettable Fuses), 276 КБ
Предохранители Bourns серии mfs (Bourns Resettable Fuses), 211 КБ
Предохранители Bourns серии mfsm01, 318 КБ
Предохранители Bourns серии MFUSMD (Bourns Resettable Fuses), 194 КБ
Предохранители Bourns серии mfusmf (Bourns Resettable Fuses), 310 КБ
Предохранители самовосстанавливающиеся RGE, 106 КБ
Предохранители самовосстанавливающиеся RUE, 104 КБ
Предохранители самовосстанавливающиеся RXE, 108 КБ
Самовосстанавливающиеся предохранители POLYSWITCH фирмы RAYCHEM, 81 КБ
Серия LB, 106 КБ
Серия LP06, 112 КБ
Серия LP16, 125 КБ
Серия LP60, 199 КБ
Серия LP-MSM, 475 КБ
Серия JK6 
Серия JK16 
Серия JK30 
Серия JK60 
Серия JK250 
|
Самовосстанавливающиеся предохранители MultiFuse серии JK datasheet pdf Тех документация описание маркировка габариты размер параметры

Тип продукта и технические параметры:
Электрические характеристики(25° C)
| Модель |
I h
(A) |
I t
(A) |
I trip |
V max
(V) |
I max
(A) |
R min
( mΩ ) |
R max
( mΩ ) |
| Ток(A) |
Время (s) |
| JK-P070 |
0.70 |
1.45 |
3.5 |
5.0 |
16 |
100 |
100 |
200 |
| JK-P100 |
1.00 |
2.50 |
5.0 |
5.0 |
16 |
100 |
70 |
130 |
| JK-P120 |
1.20 |
2.70 |
6.0 |
5.0 |
16 |
100 |
60 |
120 |
| JK-P175 |
1.75 |
3.80 |
8.50 |
5.0 |
16 |
100 |
30 |
65 |
| JK-P180 |
1.80 |
3.80 |
9.00 |
5.0 |
16 |
100 |
30 |
60 |
| JK-P190 |
1.90 |
4.20 |
9.50 |
5.0 |
16 |
100 |
25 |
45 |
| JK-P200 |
2.00 |
4.40 |
10.0 |
5.0 |
16 |
100 |
20 |
40 |
| JK-P210 |
2.10 |
4.40 |
10.0 |
5.0 |
16 |
100 |
20 |
35 |
| JK-P260 |
2.60 |
5.20 |
13.0 |
5.0 |
16 |
100 |
15 |
30 |
| JK-P300 |
3.00 |
6.00 |
15.0 |
5.0 |
24 |
100 |
15 |
31 |
| JK-P350 |
3.50 |
7.00 |
20.0 |
5.0 |
24 |
100 |
17 |
31 |
| JK-P380 |
3.80 |
7.60 |
19.0 |
5.0 |
24 |
100 |
13 |
26 |
| JK-P420 |
4.20 |
8.30 |
20.0 |
5.0 |
24 |
100 |
12 |
24 |
| JK-P450 |
4.50 |
9.00 |
22.5 |
5.0 |
20 |
100 |
11 |
20 |
| JK-P550 |
5.50 |
10.50 |
27.5 |
5.0 |
20 |
100 |
9 |
16 |
| JK-P600 |
6.60 |
11.70 |
30.0 |
5.0 |
20 |
100 |
7 |
14 |
| JK-P730 |
7.30 |
14.1 |
30.0 |
5.0 |
20 |
100 |
6 |
12 |
| JK-P900 |
9.00 |
16.70 |
45.0 |
5.0 |
20 |
100 |
6 |
10 |
| JK-P1410 |
14.10 |
26.20 |
70.0 |
5.0 |
20 |
100 |
3 |
5 |
| |
| JK-D170 |
1.70 |
3.40 |
8.5 |
5.0 |
12 |
100 |
30 |
52 |
| JK-D175 |
1.75 |
3.80 |
8.75 |
5.0 |
12 |
100 |
29 |
51 |
| JK-D200 |
2.00 |
4.50 |
10.0 |
5.0 |
12 |
100 |
20 |
40 |
| JK-D210 |
2.10 |
4.70 |
10.5 |
5.0 |
12 |
100 |
18 |
30 |
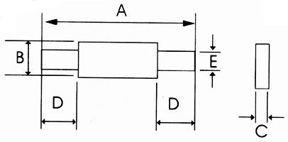
Размеры (mm) :
| Модель |
A |
B |
C |
D |
E |
| Min |
Max |
Min |
Max |
Min |
Max |
Min |
Max |
Min |
Max |
| JK-P070 |
17.0 |
20.1 |
4.9 |
5.5 |
0.6 |
1.0 |
3.5 |
6.2 |
3.8 |
4.2 |
| JK-P100 |
17.0 |
20.1 |
4.9 |
5.5 |
0.6 |
1.0 |
3.5 |
6.2 |
3.8 |
4.2 |
| JK-P120 |
17.0 |
20.1 |
4.9 |
5.5 |
0.6 |
1.0 |
3.5 |
6.2 |
3.8 |
4.2 |
| JK-P175 |
20.9 |
23.1 |
4.9 |
5.5 |
0.6 |
1.0 |
3.5 |
6.0 |
2.8 |
3.2 |
| JK-P180 |
20.9 |
23.1 |
4.9 |
5.5 |
0.6 |
1.0 |
3.5 |
6.0 |
2.8 |
3.2 |
| JK-P190 |
20.9 |
23.1 |
4.9 |
5.5 |
0.6 |
1.0 |
3.5 |
6.0 |
2.8 |
3.2 |
| JK-P200 |
20.9 |
23.1 |
4.9 |
5.5 |
0.6 |
1.0 |
3.5 |
6.0 |
2.8 |
3.2 |
| JK-P210 |
20.9 |
23.1 |
4.9 |
5.5 |
0.6 |
1.0 |
3.5 |
6.0 |
2.8 |
3.2 |
| JK-P260 |
20.9 |
23.1 |
4.9 |
5.5 |
0.6 |
1.0 |
3.5 |
6.0 |
2.8 |
3.2 |
| JK-P300 |
24.0 |
27.5 |
6.9 |
7.5 |
0.6 |
1.0 |
4.0 |
7.5 |
4.8 |
5.2 |
| JK-P350 |
24.0 |
27.5 |
6.9 |
7.5 |
0.6 |
1.0 |
4.0 |
7.5 |
4.8 |
5.2 |
| JK-P380 |
24.0 |
27.5 |
6.9 |
7.5 |
0.6 |
1.0 |
4.0 |
7.5 |
4.8 |
5.2 |
| JK-P420 |
24.0 |
27.5 |
9.8 |
10.5 |
0.6 |
1.0 |
4.0 |
7.5 |
4.8 |
5.2 |
| JK-P450 |
24.0 |
27.5 |
9.8 |
10.5 |
0.6 |
1.0 |
4.0 |
7.5 |
4.8 |
5.2 |
| JK-P550 |
24.0 |
27.5 |
9.8 |
10.5 |
0.6 |
1.0 |
4.0 |
7.5 |
4.8 |
5.2 |
| JK-P600 |
24.0 |
26.0 |
13.9 |
14.5 |
0.6 |
1.0 |
4.1 |
5.5 |
5.9 |
6.1 |
| JK-P730 |
27.1 |
29.1 |
13.9 |
14.5 |
0.6 |
1.0 |
4.1 |
5.5 |
5.9 |
6.1 |
| JK-P900 |
45.0 |
48.0 |
7.9 |
8.5 |
0.6 |
1.0 |
4.0 |
7.0 |
5.9 |
6.1 |
| JK-P1410 |
58.0 |
60.0 |
13.4 |
14.0 |
0.6 |
1.0 |
5.0 |
7.0 |
5.9 |
6.1 |
| |
| JK-D170 |
15.4 |
17.5 |
6.9 |
7.4 |
0.6 |
1.0 |
5.0 |
6.2 |
3.8 |
4.2 |
| JK-D175 |
21.9 |
24.5 |
3.0 |
3.6 |
0.6 |
1.0 |
4.5 |
5.5 |
2.3 |
3.2 |
| JK-D200 |
21.9 |
24.5 |
3.0 |
3.6 |
0.6 |
1.0 |
4.5 |
5.5 |
2.3 |
3.2 |
| JK-D210 |
21.9 |
24.5 |
3.0 |
3.6 |
0.6 |
1.0 |
4.5 |
5.5 |
2.3 |
3.2 |
Диапазон рабочих температур: от -40° C до 85° C |
| |
|
|
|
|
|
|