Контакты

Громкоговорители рупорные

100ГР-Д8
Громкоговоритель рупорный. Предназначен для озвучивания открытых пространств в условиях повышенного шума (улицы, перроны вокзалов).
100ГР-Д8  100ГР-Д8  100ГР-Д8

Номинальная мощность 100 Вт
Номинальное электрическое сопротивление 9 (144; 576)
Уровень характеристической чувствительности
в диапазоне частот (800-3150) Гц
100 дБ
Эффективный рабочий диапазон частот 250-6300 Гц
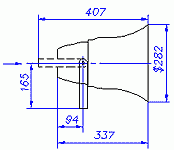
Габаритные размеры с поворотным устройством Ø282х337мм
Масса 5,5 кг

см. также

ГР-1Е, 10ГР-Д4, 10ГР-38, 25ГР-Д2, 25ГР-Д6, 30ГР-Д3, 100ГР-Д5