| Разрядники техническая документация |
Разрядники испольуются для защиты устройств с длинными проводами,антенами и т.д.
ОСНОВНЫЕ ПАРАМЕТРЫ
| |
Двухэлектродные |
Трехэлектродные |
Гибридные |
Напр.
Пробоя,В |
Конструкция |
2,5 кА/2,5 А |
5 кА/5 А |
10 кА/10 А |
20 кА/20 А |
5 кА/5 А |
10 кА/10 А |
20 кА/10 А |
20 кА/20 А |
20 кА/10 А |
| 75 |
c выв. |
|
EC75 |
|
|
|
|
|
|
|
| 90 |
EM90X |
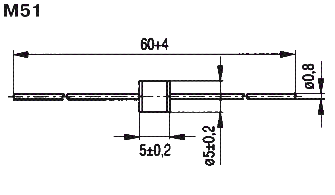
M51-C90X |
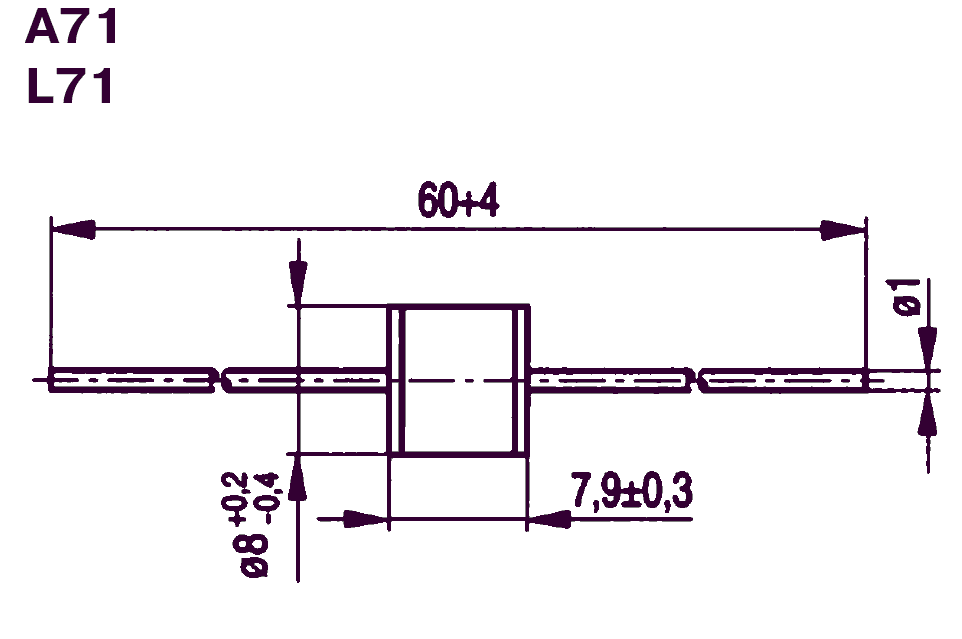
N81-A90X |
N81-C90X |
ET90X |
N81-A90X |
|
|
|
| |
EM90X |
|
|
|
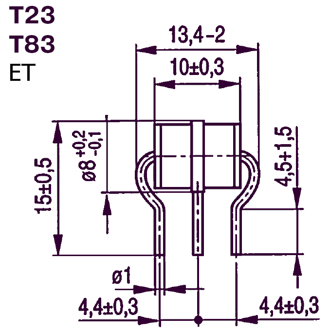
T83-A90XF1(F4) |
|
|
|
| без выв. |
|
M50-C90X |
N80-C90X |
A80-C90X |
T90-A90X |
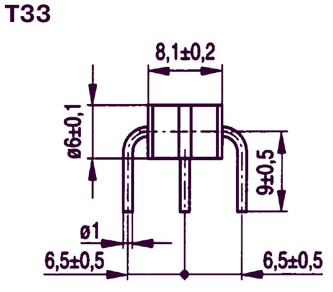
T30-A90X |
|
|
|
| |
|
A83-C90 |
|
T80-A90X |
|
|
|
| 150 |
с выв. |
|
EC150X |
|
|
|
|
|
|
|
| 230 |
EM230X |
M51-A230X
EC230X |
N81-A230X |
A81-A230X |
EC230X |
T31-A230X |
T21-A230X
T23-A230X(F1/F4) |
|
|
| |
|
|
|
|
T80-A230X |
|
|
|
| T83-A230XF1(F4) |
|
|
|
| без выв. |
|
M50-A230X |
N80-A230X |
A80-A230X
A83-A230X |
T90-A230X(F) |
T30-A230X |
T20-A230X(F) |
|
|
| |
|
|
|
T80-A230X |
|
|
|
| T80-A230XF |
|
|
|
| 250 |
с выв. |
|
|
|
A81-A250X |
|
T83-A250X |
T21-A250X
T23-A250X(F1/F4) |
|
|
| без выв. |
|
|
|
A80-A250X |
|
T80-A250XF |
T20-A250X |
|
|
| 260 |
|
|
|
|
|
|
|
T60-A260X |
|
| 270 |
с выв. |
|
L71-A270X |
|
|
|
|
|
|
|
| 300 |
EM300X |
|
|
|
|
|
|
|
|
| 350 |
EM350X |
M51-A350X
EC350X |
N81-A350X |
A81-A350X |
ET350X |
T31-A350X |
T21-A350X
T23-A350X(F1/F4) |
T61-C350X
T63-C350X |
T4N-A230XFV |
| |
|
|
|
|
T81-A350X |
|
|
|
| T83-A350XF1 |
|
|
|
| без выв. |
|
M50-A350X |
N80-A350X |
A80-A350X
A83-A350X |
T90-A350X(F) |
T30-A350X |
T20-A350X |
T60-A350X |
|
| |
|
|
|
T80-A350X |
|
|
|
| T80-A350XF |
|
|
|
| 400 |
с выв. |
EM400XG |
|
|
|
|
|
|
|
|
| 420 |
|
|
|
|
|
|
T23-A420X(F4) |
|
|
| без выв. |
|
|
|
|
|
T30-A420 |
T20-A420X(F) |
|
|
| T80-A420XF |
|
|
|
| 470 |
с выв. |
|
L71-A470X |
|
|
|
|
|
|
|
| 600 |
|
M51-A600X |
N81-A600X |
A81-A600X |
ET600X |
T87-C600X |
|
T61-C600X |
|
| |
EC600X |
|
|
|
|
|
T63-C600X |
|
| без выв. |
|
M50-A600X |
N80-A600X |
A80-C600X |
|
T83-C600X |
|
T60-C600X |
|
| 650 |
с выв. |
|
|
|
|
|
|
|
T61-C650X |
|
| |
|
|
|
|
|
|
T63-C650X |
|
| без выв. |
|
|
|
|
|
|
|
T60-C650X |
|
| 800 |
с выв. |
|
L71-A800X |
A71-H08X |
|
|
|
|
|
|
| 1000 |
|
|
A71-H10X |
|
|
|
|
|
|
| 1400 |
|
|
A71-H14X |
|
|
|
|
|
|
| 1600 |
A71-H16X |
|
|
|
|
|
|
|
|
| 2500 |
A71-H25X |
|
|
|
|
|
|
|
|
| 3500 |
A71-H35X |
|
|
|
|
|
|
|
|
| 4500 |
A71-H45X |
|
|
|
|
|
|
|
|
| |
|